Угловой адаптер 90° JIC 7/16" (Г-Ш) арт. 204001.3 от Cast
Угловой адаптер 90° JIC 7/16" (Г-Ш). Соединения под развальцовку 37° (JIC). Угловые адаптеры 90°
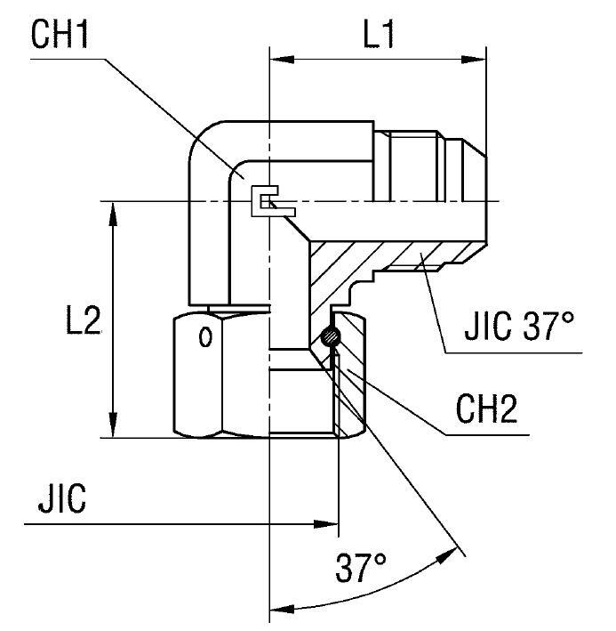
Угловой адаптер 204001.3 от CAST обеспечивает надежное соединение в гидравлических системах. Предназначен для создания углового (90°) соединения между трубными элементами. Применяется в системах высокого давления, в частности, в гидравлике стационарного и мобильного оборудования, где требуется компактное и надежное соединение.
Этот фитинг CAST разработан в соответствии со стандартом SAE J514 (соединения 37°), обеспечивая совместимость с широким спектром оборудования. Конструкция обеспечивает герметичное соединение и устойчивость к вибрациям, что критически важно для долговечной работы гидравлических систем. Совместим с трубными соединениями JIC (37°).
- Рабочее давление: 450 бар
- Диаметр трубы M1/D1: 6 мм
- Размер под ключ 2: 14 мм
- Диаметр трубы W: 1/4"
- Размер под ключ 1: 11 мм
- Резьба: 7/16-20
- Длина L1: 23 мм
- Длина L2: 26.5 мм
- Стандарт трубного соединения: SAE J514
Поставляется как отдельный компонент. Для заказа углового адаптера из нержавеющей стали AISI 316, замените префикс артикула с 20 на 21. Нержавеющая сталь обеспечивает высокую коррозионную стойкость, что делает этот трубное соединение идеальным для использования в агрессивных средах.