Каталог «Угловой ниппель 90° под приварку (W90)»: 20 позиций в наличии
«Угловой ниппель 90° под приварку (W90)» — угловой 90° адаптер. Когда нужно соединить две магистрали с разной резьбой или поменять угол подключения — выбираете здесь.
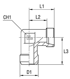
Что учесть при выборе
Перед заказом — определите тип резьбы на обоих сторонах (наружная/внутренняя).
Что внутри
Тип адаптера — угловой 90°. Резьба на разных сторонах может быть разной — BSP, JIC, NPT, ORFS, Metric или UNF, что позволяет соединять компоненты любых производителей. Материал — оцинкованная сталь для стандартных условий, нержавейка AISI 304 для агрессивных сред (морская вода, химия), латунь для специальных задач.
Тип уплотнения зависит от резьбы: торцевое медной шайбой, O-ring или конусное. Держит давление до 400 бар, для специальных серий выше — по запросу.
Где используется
Берут когда нужно соединить две магистрали с разной резьбой, на гидравлических станциях, где сводят компоненты разных производителей.
Как заказать
Скиньте артикул или фото детали в чат на сайте — посчитаем за час, сообщим срок.
Часто задаваемые вопросы
Зачем нужен Угловой ниппель 90° под приварку (W90)?
Адаптер — переходник между разными типами резьбы / фланцев / диаметров. Позволяет соединить компоненты разных стандартов в одной системе без замены всего узла.
Как подобрать Угловой ниппель 90° под приварку (W90) для моего оборудования?
Нужны 2 параметра: какие типы резьбы соединяете и рабочее давление. Инженер подберёт точный артикул из каталога. Возможно изготовление под заказ.
Какие материалы у Угловой ниппель 90° под приварку (W90)?
Стандартные материалы — углеродистая сталь, нержавеющая сталь (304/316), оцинкованная сталь. Выбор зависит от рабочей среды и условий эксплуатации.
Какие сертификаты у Угловой ниппель 90° под приварку (W90)?
Поставка с сертификатами EAC и ТР ТС. Под тендеры — полный пакет: декларации соответствия, паспорта качества.
За сколько отгружается Угловой ниппель 90° под приварку (W90)?
Стандартные позиции — со склада в день оплаты. Спецификация под заказ — 3-7 дней. Доставка ТК по РФ за 1-7 дней.
Можно ли заказать Угловой ниппель 90° под приварку (W90) мелкими партиями?
Да. Для B2B минимальной партии нет. Стандартные размеры есть в наличии поштучно. Под крупный объект — индивидуальный расчёт и спецификация.

