Редукционный соединитель DL28 на DL18 (корпус) арт. 104118.1 от Cast
Редукционный соединитель DL28 на DL18 (корпус). Соединения с врезным кольцом (DIN 2353). Прямой адаптер (серия PR)
Редукционный соединитель, артикул 104118.1, предназначен для соединения труб различных диаметров в гидравлических системах. Произведен компанией CAST, относится к серии L и используется в системах со стандартным давлением, таких как смазочные системы и гидравлика станков.
Конструкция редукционного соединителя обеспечивает надежное и герметичное трубное соединение. Соответствует стандарту DIN 2353 (соединения 24°), обеспечивая совместимость с широким спектром фитингов и адаптеров. Данный фитинг CAST позволяет создать переход с трубы диаметром 28 мм на трубу диаметром 18 мм.
- Рабочее давление (WP): 250 бар
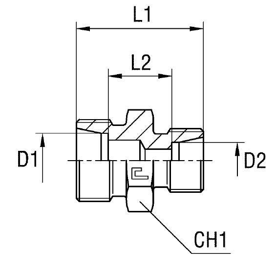
- Диаметр трубы M1/D1: 28 мм
- Размер под ключ 2 (CH2): 41 мм
- Размер под ключ 1 (CH1): 41 мм
- Серия: L
- Длина L1: 34 мм
- Длина L2: 19 мм
- Стандарт трубного соединения: Соединения 24° DIN 2353
- Длина L3: 52 мм
Соединитель поставляется как корпус. Для заказа версии из нержавеющей стали AISI 316, необходимо заменить префикс артикула "10" на "11". Для версии из нержавеющей стали AISI 316 с гайкой из нержавеющей стали AISI 304, префикс артикула следует заменить на "14". Обратите внимание, что данная позиция не соответствует стандарту ISO 8434-1 и доступна только по запросу.