Каталог «Угловой адаптер 90° Metric (уплотнение по конусу)»: 16 артикулов в наличии
Серия Угловой адаптер 90° Metric (уплотнение по конусу) — угловой 90° адаптер. Держит до 400 бар, материалы под агрессивные среды доступны. Если нужен нестандарт — сделаем по чертежу.
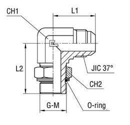
Что важно знать
Конструкция угловой 90°. Адаптер — критичный элемент гидросистемы: при неправильном подборе магистраль может потечь под давлением. На обеих сторонах резьба может быть разной (BSP↔JIC, NPT↔Metric и т.д.), что и решает задачу соединения компонентов разных производителей.
Для чего нужно
Берут при модернизации — старая техника на BSP, новые компоненты на ORFS, на гидравлических станциях, где сводят компоненты разных производителей.
Что учесть при выборе
Если есть вибрация — лучше с двойным уплотнением, одинарное может потечь.
Что предлагаем
Срочно нужно сегодня? Со склада отгружаем в день оплаты — СДЭК, ПЭК, Деловые Линии берут партию за 1-7 дней.
Часто задаваемые вопросы
Зачем нужен Угловой адаптер 90° Metric (уплотнение по конусу)?
Адаптер — переходник между разными типами резьбы / фланцев / диаметров. Позволяет соединить компоненты разных стандартов в одной системе без замены всего узла.
Как подобрать Угловой адаптер 90° Metric (уплотнение по конусу) для моего оборудования?
Нужны 2 параметра: какие типы резьбы соединяете и рабочее давление. Инженер подберёт точный артикул из каталога. Возможно изготовление под заказ.
Какие материалы у Угловой адаптер 90° Metric (уплотнение по конусу)?
Стандартные материалы — углеродистая сталь, нержавеющая сталь (304/316), оцинкованная сталь. Выбор зависит от рабочей среды и условий эксплуатации.
Какие сертификаты у Угловой адаптер 90° Metric (уплотнение по конусу)?
Поставка с сертификатами EAC и ТР ТС. Под тендеры — полный пакет: декларации соответствия, паспорта качества.
За сколько отгружается Угловой адаптер 90° Metric (уплотнение по конусу)?
Стандартные позиции — со склада в день оплаты. Спецификация под заказ — 3-7 дней. Доставка ТК по РФ за 1-7 дней.
Можно ли заказать Угловой адаптер 90° Metric (уплотнение по конусу) мелкими партиями?
Да. Для B2B минимальной партии нет. Стандартные размеры есть в наличии поштучно. Под крупный объект — индивидуальный расчёт и спецификация.

