Угловой адаптер 90° Metric (уплотнение по конусу): 4 артикула от ведущих брендов
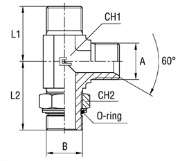
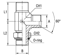
Угловой адаптер 90° Metric (уплотнение по конусу) — угловой 90° адаптер для гидросистем. Помогает обходить препятствия в магистрали. На складе сталь, нержавейка AISI 304, латунь.
Параметры
- Тип: угловой 90°
- Резьбы: BSP / JIC / NPT / ORFS / Metric / UNF
- Материал: оцинкованная сталь / нержавейка AISI 304 / латунь
- Уплотнение: торцевое (медь) / O-ring / конусное
- Рабочее давление: до 400 бар (стандарт)
Для чего нужно
Берут когда нужно изменить угол подключения в стеснённом монтажном пространстве, когда нужно соединить две магистрали с разной резьбой.
Совет от инженера
Перед заказом — определите тип резьбы на обоих сторонах (наружная/внутренняя).
Как заказать
Сборный заказ нескольких позиций? Соберём одной заявкой, посчитаем за час, отгрузим вместе.
Часто задаваемые вопросы
Зачем нужен Угловой адаптер 90° Metric (уплотнение по конусу)?
Адаптер — переходник между разными типами резьбы / фланцев / диаметров. Позволяет соединить компоненты разных стандартов в одной системе без замены всего узла.
Как подобрать Угловой адаптер 90° Metric (уплотнение по конусу) для моего оборудования?
Нужны 2 параметра: какие типы резьбы соединяете и рабочее давление. Инженер подберёт точный артикул из каталога. Возможно изготовление под заказ.
Какие материалы у Угловой адаптер 90° Metric (уплотнение по конусу)?
Стандартные материалы — углеродистая сталь, нержавеющая сталь (304/316), оцинкованная сталь. Выбор зависит от рабочей среды и условий эксплуатации.
Какие сертификаты у Угловой адаптер 90° Metric (уплотнение по конусу)?
Поставка с сертификатами EAC и ТР ТС. Под тендеры — полный пакет: декларации соответствия, паспорта качества.
За сколько отгружается Угловой адаптер 90° Metric (уплотнение по конусу)?
Стандартные позиции — со склада в день оплаты. Спецификация под заказ — 3-7 дней. Доставка ТК по РФ за 1-7 дней.
Можно ли заказать Угловой адаптер 90° Metric (уплотнение по конусу) мелкими партиями?
Да. Для B2B минимальной партии нет. Стандартные размеры есть в наличии поштучно. Под крупный объект — индивидуальный расчёт и спецификация.

