Прямой ввертной адаптер Metric с уплотнением O-Ring в каталоге Tamakko — 6 артикулов
Серия Прямой ввертной адаптер Metric с уплотнением O-Ring — прямой адаптер. Держит до 400 бар, материалы под агрессивные среды доступны. Если нужен нестандарт — сделаем по чертежу.
На заметку
На угловых смотрите радиус изгиба — иначе магистраль может пережиматься.
Где встречается
Берут когда нужно соединить две магистрали с разной резьбой, в сервисных мастерских — переходники нужны постоянно.
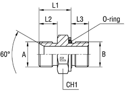
Что важно знать
Конструкция прямой. Адаптер — критичный элемент гидросистемы: при неправильном подборе магистраль может потечь под давлением. На обеих сторонах резьба может быть разной (BSP↔JIC, NPT↔Metric и т.д.), что и решает задачу соединения компонентов разных производителей.
Свяжитесь с нами
Срочно нужно сегодня? Со склада отгружаем в день оплаты — СДЭК, ПЭК, Деловые Линии берут партию за 1-7 дней.
Часто задаваемые вопросы
Зачем нужен Прямой ввертной адаптер Metric с уплотнением O-Ring?
Адаптер — переходник между разными типами резьбы / фланцев / диаметров. Позволяет соединить компоненты разных стандартов в одной системе без замены всего узла.
Как подобрать Прямой ввертной адаптер Metric с уплотнением O-Ring для моего оборудования?
Нужны 2 параметра: какие типы резьбы соединяете и рабочее давление. Инженер подберёт точный артикул из каталога. Возможно изготовление под заказ.
Какие материалы у Прямой ввертной адаптер Metric с уплотнением O-Ring?
Стандартные материалы — углеродистая сталь, нержавеющая сталь (304/316), оцинкованная сталь. Выбор зависит от рабочей среды и условий эксплуатации.
Какие сертификаты у Прямой ввертной адаптер Metric с уплотнением O-Ring?
Поставка с сертификатами EAC и ТР ТС. Под тендеры — полный пакет: декларации соответствия, паспорта качества.
За сколько отгружается Прямой ввертной адаптер Metric с уплотнением O-Ring?
Стандартные позиции — со склада в день оплаты. Спецификация под заказ — 3-7 дней. Доставка ТК по РФ за 1-7 дней.
Можно ли заказать Прямой ввертной адаптер Metric с уплотнением O-Ring мелкими партиями?
Да. Для B2B минимальной партии нет. Стандартные размеры есть в наличии поштучно. Под крупный объект — индивидуальный расчёт и спецификация.

