Угловой переходник 90° JIC 7/16"(Г)-M10x1(Г) арт. 204501.3 от Cast
Угловой переходник 90° JIC 7/16"(Г)-M10x1"(Г). Соединения под развальцовку 37° (JIC). Угловой адаптер 90° Metric (уплотнение по конусу)
Артикул 204501.3 от CAST представляет собой угловой гидравлический переходник под углом 90°, предназначенный для создания надежного и герметичного соединения в гидравлических системах. Это универсальное трубное соединение идеально подходит для применения в условиях стандартного давления, в смазочных системах, топливных магистралях, а также в станочном оборудовании и мобильной технике, где требуется компактное подключение.
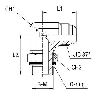
Переходник разработан для обеспечения оптимальной угловой ориентации трубопровода. Он имеет метрическую резьбу M10x1(Г) с одной стороны и резьбу JIC 7/16-20 (Г) 37° SAE J514 с другой, что гарантирует совместимость с соответствующими стандартами. Конструкция углового фитинга CAST обеспечивает защиту от некорректного монтажа и снижает риск утечек в системах, поддерживая высокие эксплуатационные характеристики.
- Артикул: 204501.3
- Бренд: CAST
- Рабочее давление (WP): 350 бар
- Резьба JIC (A): 7/16-20
- Резьба метрическая (M): 10x1
- Диаметр присоединяемой трубы D1: 6 мм
- Диаметр присоединяемой трубы W: 1/4"
- Размер под ключ CH1: 11 мм
- Размер под ключ CH2: 14 мм
- Длина L1: 23 мм
- Длина L2: 27 мм
- Серия: Универсальная
- Стандарт трубного соединения: Соединения 37° SAE J514
Для заказа данного углового переходника из нержавеющей стали AISI 316, обладающей повышенной коррозионной стойкостью и допускающей применение в агрессивных средах, измените первые две цифры артикула с "20" на "21" (например, 214501.3). Доступность изделий из нержавеющей стали уточняется в плановых заказах. Уплотнительные элементы и дополнительные фитинги приобретаются отдельно.