Угловой переходник 90° JIC 1-1/16"(Г)-NPT 1/2"(Ш) арт. 201122.3 от Cast
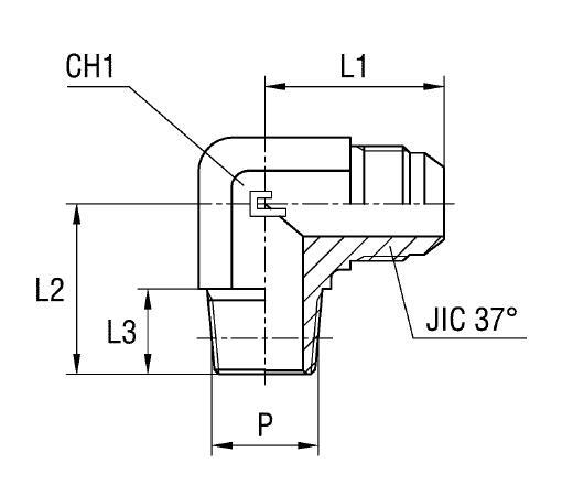
Угловой переходник 90° JIC 1-1/16"(Г)-NPT 1/2"(Ш). Соединения под развальцовку 37° (JIC). Угловой ввертной адаптер 90° NPT (уплотнение по резьбе)
Угловой переходник (артикул 201122.3) производства фитинг CAST (Италия) предназначен для быстрого и надежного изменения направления гидравлического потока на 90 градусов. Данное изделие из Универсальной серии обеспечивает высокогерметичное подключение дюймового трубопровода стандарта JIC 37° к оборудованию, имеющему конический порт NPT 1/2". Основное назначение — компактное подключение рукавов и труб в мобильной технике, строительном оборудовании, а также в промышленных гидравлических станциях, работающих со стандартным и средним давлением.
Конструктивно фитинг представляет собой жесткий угловой адаптер. Сторона JIC (мама, 1 1/16-12) выполнена с посадочным конусом 37°, что соответствует требованиям международного стандарта SAE J514 и обеспечивает максимально надежное трубное соединение. Резьбовое соединение NPT 1/2" (папа) является самогерметизирующимся, что минимизирует риски утечек при монтаже. Изделие разработано для обеспечения высокой производительности и механической прочности при работе с гидрожидкостями, смазочными материалами и топливом.
- Рабочее давление (WP): 350 бар
- Резьба JIC 37° A: 1 1/16-12 (Г)
- Резьба P (NPT): 1/2 (Ш)
- Стандарт соединения: SAE J514 (37°)
- Размер под ключ (CH1): 27 мм
Стандартное исполнение поставляется из высокопрочной стали с антикоррозийным покрытием. Для эксплуатации в агрессивных средах, включая химическую или морскую промышленность, где требуется повышенная коррозионная стойкость, доступен вариант исполнения из нержавеющей стали AISI 316. Для заказа нержавеющего исполнения необходимо заменить префикс артикула с 20.... на 21....