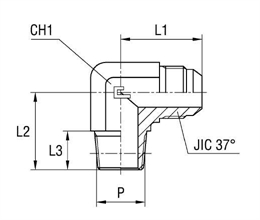
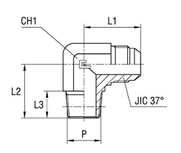
Угловой ввертной адаптер 90° NPT (уплотнение по резьбе) — каталог из 21 артикул
Угловой ввертной адаптер 90° NPT (уплотнение по резьбе) — угловой 90° адаптер для гидросистем. Помогает обходить препятствия в магистрали. На складе сталь, нержавейка AISI 304, латунь.
Для чего нужно
Берут на сборке гидромагистралей под нестандартные конфигурации блоков, при модернизации — старая техника на BSP, новые компоненты на ORFS.
Характеристики
- Тип: угловой 90°
- Резьбы: BSP / JIC / NPT / ORFS / Metric / UNF
- Материал: оцинкованная сталь / нержавейка AISI 304 / латунь
- Уплотнение: торцевое (медь) / O-ring / конусное
- Рабочее давление: до 400 бар (стандарт)
Совет от инженера
Если есть вибрация — лучше с двойным уплотнением, одинарное может потечь.
Свяжитесь с нами
Сборный заказ нескольких позиций? Соберём одной заявкой, посчитаем за час, отгрузим вместе.
Часто задаваемые вопросы
Зачем нужен Угловой ввертной адаптер 90° NPT (уплотнение по резьбе)?
Адаптер — переходник между разными типами резьбы / фланцев / диаметров. Позволяет соединить компоненты разных стандартов в одной системе без замены всего узла.
Как подобрать Угловой ввертной адаптер 90° NPT (уплотнение по резьбе) для моего оборудования?
Нужны 2 параметра: какие типы резьбы соединяете и рабочее давление. Инженер подберёт точный артикул из каталога. Возможно изготовление под заказ.
Какие материалы у Угловой ввертной адаптер 90° NPT (уплотнение по резьбе)?
Стандартные материалы — углеродистая сталь, нержавеющая сталь (304/316), оцинкованная сталь. Выбор зависит от рабочей среды и условий эксплуатации.
Какие сертификаты у Угловой ввертной адаптер 90° NPT (уплотнение по резьбе)?
Поставка с сертификатами EAC и ТР ТС. Под тендеры — полный пакет: декларации соответствия, паспорта качества.
За сколько отгружается Угловой ввертной адаптер 90° NPT (уплотнение по резьбе)?
Стандартные позиции — со склада в день оплаты. Спецификация под заказ — 3-7 дней. Доставка ТК по РФ за 1-7 дней.
Можно ли заказать Угловой ввертной адаптер 90° NPT (уплотнение по резьбе) мелкими партиями?
Да. Для B2B минимальной партии нет. Стандартные размеры есть в наличии поштучно. Под крупный объект — индивидуальный расчёт и спецификация.

