Угловой адаптер 90° ORFS 11/16"-BSP 1/4" обжимной арт. 406902 от Cast
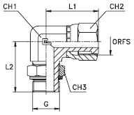
Угловой адаптер 90° ORFS 11/16"-BSP 1/4" обжимной. Соединения с торцевым уплотнением (ORFS). Угловой адаптер 90° BSP (уплотнение по конусу)
Представляем угловой адаптер CAST артикул 406902 — ключевой компонент для создания герметичных и компактных гидравлических соединений. Этот фитинг CAST универсальной серии предназначен для эффективной интеграции в гидравлические системы, работающие с давлением до 315 бар. Идеально подходит для станков, мобильной техники, а также систем смазки и подачи топлива, где требуется надежное угловое подключение.
Данный адаптер выполнен в угловой (90°) конфигурации, обеспечивая оптимальное расположение трубопроводов в ограниченном пространстве. Он спроектирован для создания обжимного трубного соединения с метрическими трубами диаметром 8-10 мм или дюймовыми 5/16-3/8 дюйма. Соответствует стандарту SAE-J1453, гарантируя совместимость и надежность в различных гидравлических схемах. Резьбовые соединения включают ORFS 11/16-16 и BSP 1/4", что делает его универсальным для подключения к широкому спектру гидравлических компонентов.
- Артикул: 406902
- Рабочее давление (WP): 315 бар
- Резьба ORFS: 11/16-16
- Резьба BSP: 1/4"
- Диаметр обжимаемой трубы (метрический): 8-10 мм
- Диаметр обжимаемой трубы (дюймовый): 5/16-3/8"
- Размер под ключ (CH1/CH2/CH3): 19 / 22 / 19 мм
- Длина L1: 29 мм
- Длина L2: 37 мм
- Стандарт трубного соединения: 90° SAE-J1453
- Серия: Универсальная
Адаптер поставляется без дополнительных уплотнительных шайб или наконечников, что позволяет инженеру самостоятельно подобрать необходимые компоненты для конкретной задачи. Изготовлен из высокопрочной стали. Для применений в коррозионно-активных средах или при работе с агрессивными жидкостями доступна версия из нержавеющей стали AISI 316 – для заказа данной модификации необходимо изменить первые две цифры артикула с "40...." на "41...."