Каталог «Угловой адаптер 90° BSP (уплотнение по конусу)»: 5 артикулов в наличии
«Угловой адаптер 90° BSP (уплотнение по конусу)» — угловой 90° адаптер. Когда нужно соединить две магистрали с разной резьбой или поменять угол подключения — выбираете здесь.
Характеристики
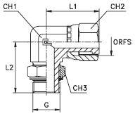
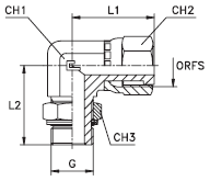
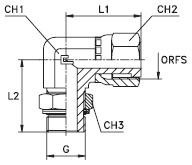
Тип адаптера — угловой 90°. Резьба на разных сторонах может быть разной — BSP, JIC, NPT, ORFS, Metric или UNF, что позволяет соединять компоненты любых производителей. Материал — оцинкованная сталь для стандартных условий, нержавейка AISI 304 для агрессивных сред (морская вода, химия), латунь для специальных задач.
Тип уплотнения зависит от резьбы: торцевое медной шайбой, O-ring или конусное. Держит давление до 400 бар, для специальных серий выше — по запросу.
Где встречается
Берут на сборке гидромагистралей под нестандартные конфигурации блоков, при модернизации — старая техника на BSP, новые компоненты на ORFS.
Лайфхак подбора
На угловых смотрите радиус изгиба — иначе магистраль может пережиматься.
Свяжитесь с нами
Под объект или проект — рассчитаем логистику и сроки под адрес монтажа.
Часто задаваемые вопросы
Зачем нужен Угловой адаптер 90° BSP (уплотнение по конусу)?
Адаптер — переходник между разными типами резьбы / фланцев / диаметров. Позволяет соединить компоненты разных стандартов в одной системе без замены всего узла.
Как подобрать Угловой адаптер 90° BSP (уплотнение по конусу) для моего оборудования?
Нужны 2 параметра: какие типы резьбы соединяете и рабочее давление. Инженер подберёт точный артикул из каталога. Возможно изготовление под заказ.
Какие материалы у Угловой адаптер 90° BSP (уплотнение по конусу)?
Стандартные материалы — углеродистая сталь, нержавеющая сталь (304/316), оцинкованная сталь. Выбор зависит от рабочей среды и условий эксплуатации.
Какие сертификаты у Угловой адаптер 90° BSP (уплотнение по конусу)?
Поставка с сертификатами EAC и ТР ТС. Под тендеры — полный пакет: декларации соответствия, паспорта качества.
За сколько отгружается Угловой адаптер 90° BSP (уплотнение по конусу)?
Стандартные позиции — со склада в день оплаты. Спецификация под заказ — 3-7 дней. Доставка ТК по РФ за 1-7 дней.
Можно ли заказать Угловой адаптер 90° BSP (уплотнение по конусу) мелкими партиями?
Да. Для B2B минимальной партии нет. Стандартные размеры есть в наличии поштучно. Под крупный объект — индивидуальный расчёт и спецификация.

