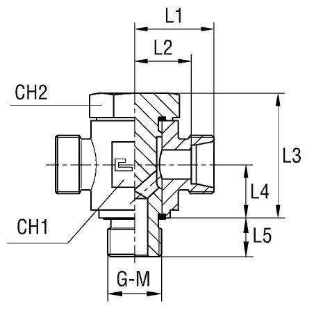
Т-образный штуцер под кольцо JTE DS25 M33x2 арт. 101621.1 от Cast
Т-образный штуцер под кольцо JTE DS25 M33x2. Соединения с врезным кольцом (DIN 2353). Т-образный ввертной штуцер Metric с уплотнением ED
Т-образный фитинг CAST артикул 101621.1 разработан для создания высоконадежных и герметичных соединений в гидравлических системах. Это специализированный элемент серии S от производителя CAST, предназначенный для использования в условиях стандартного давления. Применяется в стационарных установках, мобильной технике и в системах, где требуется точная разводка потоков рабочей жидкости, например, в оборудовании для смазки или топливных системах.
Конструктивно данный тройник представляет собой резьбовой штуцер, обеспечивающий надежное и герметичное соединение с соответствующими трубными элементами. Он соответствует стандарту DIN 2353 для соединений с врезным кольцом 24°, что гарантирует его совместимость с широким спектром компонентов. Конфигурация JTE оптимизирована для создания компактных и эффективных разветвлений в гидравлическом контуре, обеспечивая высокую степень герметичности трубного соединения.
- Рабочее давление (WP): 250 бар
- Диаметр трубы M1/D1: 25 мм
- Размер под ключ 1 (CH1): 50 мм
- Размер под ключ 2 (CH2): 46 мм
- Резьба 12: M33x2
- Длина L1: 42,5 мм
- Длина L2: 31,5 мм
- Длина L3: 66,5 мм
- Длина L4: 30,5 мм
- Серия: S
- Стандарт трубного соединения: Соединения 24° DIN 2353
Стандартное исполнение штуцера выполнено из стали. Для эксплуатации в агрессивных средах или условиях повышенных требований к коррозионной стойкости доступны варианты из нержавеющей стали AISI 316 – для заказа такого исполнения необходимо заменить префикс артикула с 10.... на 11.... При необходимости использования фитинга из нержавеющей стали AISI 316 с гайкой из AISI 304, префикс артикула изменяется на 14.... Обращаем внимание, что данная позиция не соответствует в полной мере норме ISO 8434-1 и доступна исключительно по плановым заказам.