Полый болт BANJO 3/8" арт. 804803 от Cast
Полый болт BANJO 3/8". Кольцевые фитинги Banjo. Полый болт (банджо-болт) с резьбой BSP
Полый болт BANJO 3/8" артикул 804803 от CAST предназначен для создания компактных и герметичных соединений в гидравлических системах. Используется в оборудовании, работающем со стандартным давлением, а также в системах смазки и подачи топлива. Оптимален для применения в станочном оборудовании и мобильной технике.
Конструкция представляет собой полый болт, обеспечивающий надежное трубное соединение. Данный фитинг CAST обеспечивает плотное прилегание и предотвращает утечки рабочей жидкости.
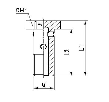
- Размер под ключ (CH1): 22 мм
- Резьба G (CAST): 3/8"
- Длина L1 (CAST): 39 мм
Стандартная комплектация предполагает использование с соответствующими уплотнительными шайбами. Болт изготовлен из стали. Для заказа фитинга CAST из нержавеющей стали AISI 316 необходимо изменить префикс артикула с 80... на 81..., что обеспечит повышенную коррозионную стойкость и возможность эксплуатации в агрессивных средах.