Каталог «Полый болт (банджо-болт) с резьбой BSP»: 7 позиций в наличии
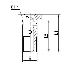
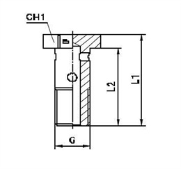
Раздел Полый болт (банджо-болт) с резьбой BSP — резьба BSP (цилиндрическая, 60°) для соединения компонентов гидросистемы. Если на руках уже есть фитинг с другой стороны — пришлите фото, подберём пару.
Лайфхак подбора
На высоком давлении (от 400 бар) не экономьте — серии Tieffe или AlfaGomma.
Что важно знать
Резьба BSP (цилиндрическая, 60°) — один из стандартных типов в гидравлике. Распространена в Европе (BSP/BSPT), США (JIC, NPT, ORFS), Японии (JIS, Metric), Германии (DIN 2353). Уплотнение бывает торцевым (медная шайба), O-ring или конусным — зависит от типа резьбы.
В каталоге — оцинкованная сталь и нержавейка AISI 304. Для агрессивных сред (соль, кислоты, конденсат) берите нержавейку.
Кому подходит
Берут на производственных линиях прессов — там фитинги ходят по графику ТО, когда надо собрать РВД под старую технику, для которой нет оригинала.
Свяжитесь с нами
Хотите собрать партию под производство? Зафиксируем цену на квартал, зарезервируем позиции под ваш график.
Часто задаваемые вопросы
Что такое Полый болт (банджо-болт) с резьбой BSP?
Тип резьбы определяет тип соединения между фитингом и трубопроводом. Каждый стандарт имеет свой шаг резьбы, угол профиля, тип уплотнения. Несоответствие = риск разгерметизации.
Чем отличаются разные типы резьбы?
Стандарты резьбы: BSP (метрическая дюймовая), JIC (37° конус), NPT (американская коническая), ORFS (плоское уплотнение). Каждый тип не взаимозаменяем — нужны переходники.
Можно ли подобрать Полый болт (банджо-болт) с резьбой BSP под существующее оборудование?
Да. Инженер подберёт фитинг под конкретный тип резьбы вашего оборудования. Учтём диаметр, тип уплотнения, рабочее давление. Расчёт КП за 1 час.
Какие сертификаты у Полый болт (банджо-болт) с резьбой BSP?
Поставка с сертификатами EAC и ТР ТС. Под тендерные процедуры — полный пакет документов под 44-ФЗ / 223-ФЗ.
Какие фитинги совместимы с Полый болт (банджо-болт) с резьбой BSP?
Совместимость определяется стандартом резьбы и диаметром. Для подбора пары "рукав+фитинг" нужны: тип резьбы, диаметр, рабочее давление, среда. Подберём комплект под ваш проект.
За сколько отгружаются Полый болт (банджо-болт) с резьбой BSP?
Со склада — в день оплаты. Под спецификацию — 1-3 дня. Доставка ТК по РФ за 1-7 дней.

