Переходник под кольцо DS25 на BSP 1" арт. 600521 от Cast
Переходник под кольцо DS25 на BSP 1". Соединения с врезным кольцом (DIN 2353). Прямой ввертной адаптер BSP с уплотнением ED
Переходник CAST артикул 600521 (серия 420) предназначен для надежного герметичного подключения трубопроводов в гидравлических системах. Основное назначение — обеспечение сопряжения компонентов с метрической резьбой и дюймовой резьбой BSP. Продукция CAST применяется в стационарных установках, мобильной технике, а также в промышленных гидравлических сетях со стандартным давлением для транспортировки гидравлических жидкостей, смазок и топлива.
Конструктивно данный гидравлический адаптер представляет собой прямой переходник, специально разработанный для использования с трубными соединениями DIN 2353 (24° конус). Он обеспечивает высокоточное и надежное соединение с трубами диаметром 25 мм, гарантируя стабильную работу системы без утечек. Конструкция фитинга предусматривает оптимальное согласование с соответствующими элементами для создания герметичного стыка.
- Артикул: 600521
- Бренд: CAST
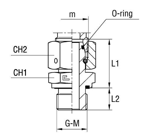
- Диаметр трубы (D1): 25 мм
- Резьба BSP (G): 1"
- Резьба метрическая (M): 36x2
- Размер под ключ (CH1/CH2): 41 мм / 46 мм
- Длина (L1/L2): 48 мм / 18 мм
- Серия: 420
- Стандарт трубного соединения: Соединения 24° DIN 2353
При необходимости использования в агрессивных средах или условиях повышенной коррозионной активности предусмотрена возможность заказа исполнения из нержавеющей стали. Для этого первые две цифры артикула меняются с "60..." на "61...". Переходник поставляется без уплотнительных колец, которые приобретаются отдельно. Данный фитинг CAST обеспечивает превосходную совместимость и долговечность в различных гидравлических приложениях.