Полный каталог «Прямой ввертной адаптер BSP с уплотнением ED» — 105 артикулов
Прямой ввертной адаптер BSP с уплотнением ED — это специфическая позиция, прямой штуцер ввертной BSP с уплотнительным кольцом ED (Elastic Dichtung — эластичное уплотнение). Используется для герметизации без подмотки ленты или герметика. На складе 100+ артикулов.
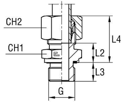
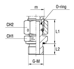
В чём принцип ED-уплотнения: на торце адаптера есть металлическая втулка с резиновым кольцом, которая обжимается при затяжке. Получается герметичное соединение, рассчитанное на многократные сборки-разборки.
Где это применяется: гидравлические системы, где требуется частая разборка для обслуживания (испытательные стенды, сервисные узлы), плюс специфические применения с повышенными требованиями к герметичности (нефтегаз, химия).
Размерная сетка стандартная BSP — от G 1/8 до G 1 1/2. Сталь — углеродистая в цинке, нержавейка 316. Маркировка с указанием стандарта на корпусе адаптера.
Если в спецификации проекта указано «BSP ED» — это именно эти позиции. +7 (495) 777-38-43.
Часто задаваемые вопросы
Зачем нужен Прямой ввертной адаптер BSP с уплотнением ED?
Адаптер — переходник между разными типами резьбы / фланцев / диаметров. Позволяет соединить компоненты разных стандартов в одной системе без замены всего узла.
Как подобрать Прямой ввертной адаптер BSP с уплотнением ED для моего оборудования?
Нужны 2 параметра: какие типы резьбы соединяете и рабочее давление. Инженер подберёт точный артикул из каталога. Возможно изготовление под заказ.
Какие материалы у Прямой ввертной адаптер BSP с уплотнением ED?
Стандартные материалы — углеродистая сталь, нержавеющая сталь (304/316), оцинкованная сталь. Выбор зависит от рабочей среды и условий эксплуатации.
Какие сертификаты у Прямой ввертной адаптер BSP с уплотнением ED?
Поставка с сертификатами EAC и ТР ТС. Под тендеры — полный пакет: декларации соответствия, паспорта качества.
За сколько отгружается Прямой ввертной адаптер BSP с уплотнением ED?
Стандартные позиции — со склада в день оплаты. Спецификация под заказ — 3-7 дней. Доставка ТК по РФ за 1-7 дней.
Можно ли заказать Прямой ввертной адаптер BSP с уплотнением ED мелкими партиями?
Да. Для B2B минимальной партии нет. Стандартные размеры есть в наличии поштучно. Под крупный объект — индивидуальный расчёт и спецификация.

