Переходник под кольцо DS20 на BSP 3/4" арт. 600520 от Cast
Переходник под кольцо DS20 на BSP 3/4". Соединения с врезным кольцом (DIN 2353). Прямой ввертной адаптер BSP с уплотнением ED
Переходник CAST артикул 600520 предназначен для герметичного и надежного соединения гидравлических линий. Этот компонент серии 420 позволяет интегрировать трубное соединение DIN 2353 под кольцо диаметром 20 мм с системой, использующей резьбу BSP 3/4". Продукт идеально подходит для использования в системах со стандартным давлением, в том числе для смазочных систем, топливопроводов, а также в станочном оборудовании и мобильной технике.
Конструкция переходника обеспечивает высокую герметичность и устойчивость к вибрации. Это фитинг с внутренней резьбой, соответствующий стандартам DIN 2353 для трубных соединений с конусностью 24°. Он гарантирует надежное крепление труб диаметром 20 мм, обеспечивая при этом плотное и безопасное подключение к элементам с резьбой BSP.
- Артикул: 600520
- Бренд: CAST
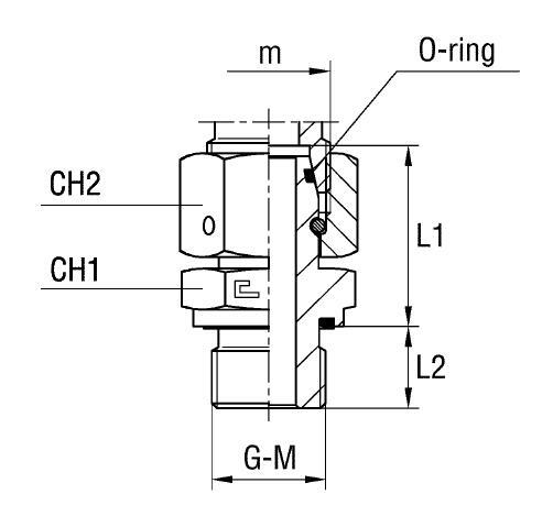
- Диаметр трубы D1: 20 мм
- Резьба G: 3/4" BSP
- Резьба M: 30x2
- Стандарт ТС: Соединения 24° DIN 2353
- Размер под ключ CH1: 32 мм
- Размер под ключ CH2: 36 мм
- Длина L1: 43 мм
- Длина L2: 16 мм
Данный переходник CAST поставляется без уплотнительных шайб, которые необходимо приобретать отдельно. В стандартном исполнении изделие изготовлено из стали. Для применения в агрессивных средах или условиях повышенной коррозионной активности доступен вариант из нержавеющей стали AISI 316. При заказе такого исполнения необходимо заменить префикс артикула с "60" на "61" (например, 610520), что гарантирует получение детали, выполненной из высококачественной нержавеющей стали.