Переходник под кольцо DS20 BSP 1/2" (корпус) арт. 100538.1 от Cast
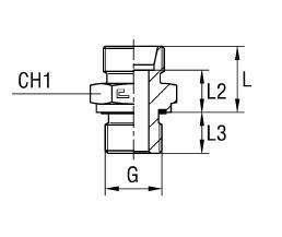
Переходник под кольцо DS20 BSP 1/2" (корпус). Соединения с врезным кольцом (DIN 2353). Прямой ввертной адаптер BSP с уплотнением ED
Переходник под кольцо, артикул 100538.1, предназначен для надежного соединения труб посредством врезного кольца. Производитель CAST, серия S. Используется в гидравлических системах среднего и высокого давления, подходит для минеральных масел, смазок и топлива. Применяется в станкостроении, мобильной технике и промышленном оборудовании.
Конструкция переходника обеспечивает герметичное и надежное трубное соединение в соответствии со стандартом DIN 2353 (соединения 24°). Совместим с трубными соединениями под врезное кольцо диаметром 20 мм и конической резьбой BSP 1/2". Обеспечивает простую и быструю установку.
- Диаметр трубы: 20 мм
- Резьба: BSP 1/2"
- Рабочее давление: 420 бар
- Стандарт: DIN 2353 (соединения 24°)
- Размер под ключ CH1: 32 мм
- Размер под ключ CH2: 36 мм
Поставляется как корпус фитинга CAST (без гайки и врезного кольца). Материал - углеродистая сталь. Для заказа фитинга из нержавеющей стали AISI 316 необходимо заменить префикс артикула с 10 на 11. Для заказа фитинга из нержавеющей стали AISI 316 с гайкой из нержавеющей стали AISI 304 необходимо заменить префикс артикула с 10 на 14. Рекомендуется для использования в условиях повышенной коррозионной активности.