Переходник под кольцо DS12 на BSP 3/8" арт. 600517 от Cast
Переходник под кольцо DS12 на BSP 3/8. Соединения с врезным кольцом (DIN 2353). Прямой ввертной адаптер BSP с уплотнением ED
Переходник CAST артикул 600517 представляет собой элемент серии 630, предназначенный для создания герметичного и надежного соединения в составе гидравлических систем. Основное назначение – интеграция метрических трубных соединений с дюймовыми стандартами. Данное изделие широко применяется в стационарных установках, мобильной технике, а также в системах смазки и топливопроводах, где требуется компактное подключение при стандартном и низком давлении.
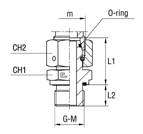
Конструктивно данный гидравлический переходник CAST разработан для подключения труб с диаметром 12 мм к портам с резьбой BSP 3/8. Соответствует стандартам 24° DIN 2353, что гарантирует точное сопряжение и высокую герметичность. Изделие обеспечивает удобный переход между метрическими и дюймовыми стандартами, что критически важно для унификации и ремонта гидравлических магистралей различного оборудования.
- Артикул: 600517
- Бренд: CAST
- Диаметр трубного соединения (D1): 12 мм
- Резьба 1 (метрическая): M20x1.5 (для соединения с трубным фитингом)
- Резьба 2 (дюймовая): BSP 3/8 (для подключения к порту)
- Размер под ключ (CH1): 22 мм
- Размер под ключ (CH2): 24 мм
- Длина (L1): 34.5 мм
- Длина (L2): 12 мм
- Серия: 630
- Стандарт трубного соединения: 24° DIN 2353
Изделие поставляется без дополнительных уплотнительных шайб или фитингов, которые приобретаются отдельно в зависимости от конфигурации системы. Стандартное исполнение выполнено из стали. Для обеспечения коррозионной стойкости в агрессивных средах или при работе с агрессивными жидкостями, возможно заказать этот трубный переходник из высококачественной нержавеющей стали AISI 316. Для этого необходимо заменить первые две цифры артикула с "60" на "61", например, артикул для нержавеющей стали будет 610517.