Переходник под кольцо DL35 на BSP 1-1/4" арт. 600512 от Cast
Переходник под кольцо DL35 на BSP 1-1/4". Соединения с врезным кольцом (DIN 2353). Прямой ввертной адаптер BSP с уплотнением ED
Переходник CAST серии 250, артикул 600512, разработан для создания надежного и герметичного соединения в гидравлических системах. Это универсальный фитинг CAST, предназначенный для подключения метрических трубных соединений с внешним диаметром 35 мм к компонентам с дюймовой резьбой BSP 1-1/4". Изделие находит широкое применение в мобильной технике, станкостроении, а также в системах смазки и топливоподачи, где требуется обеспечить прочное и устойчивое к давлению соединение.
Конструкция переходника соответствует стандарту DIN 2353 для трубных соединений с конусом 24°, что обеспечивает высокую герметичность и устойчивость к вибрациям. Он предназначен для интеграции в гидравлические линии и обеспечивает бесперебойную передачу рабочей жидкости. Наличие обеих резьб, метрической (M45x2) и дюймовой (BSP G 1-1/4"), делает его незаменимым элементом для сопряжения различных стандартов оборудования.
- Артикул: 600512
- Производитель: CAST
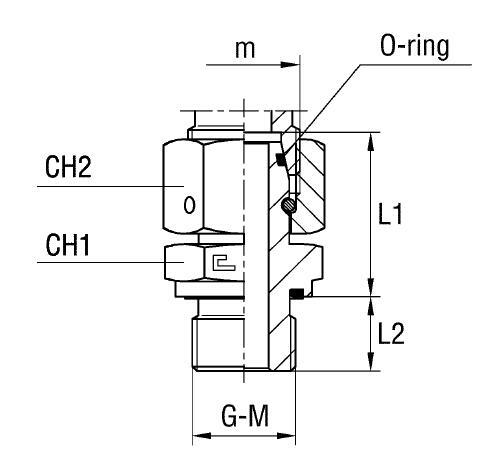
- Диаметр трубы D1: 35 мм
- Резьба G (BSP): 1-1/4"
- Резьба M (метрическая): 45x2
- Длина L1: 42,5 мм
- Длина L2: 20 мм
- Размер под ключ CH1: 50 мм
- Размер под ключ CH2: 50 мм
- Серия: 250
- Стандарт трубного соединения: Соединения 24° DIN 2353
Стандартно переходник поставляется из высококачественной стали. Для применения в агрессивных и коррозионных средах, например, в химической промышленности или на морских судах, доступна версия из нержавеющей стали AISI 316. Для заказа этой модификации достаточно изменить префикс артикула с 60... на 61... (например, 610512). Изделие не содержит уплотнительных шайб; их подбор осуществляется отдельно в зависимости от специфики применения.