Переходник под кольцо DL28 на BSP 1" арт. 600511 от Cast
Переходник под кольцо DL28 на BSP 1. Соединения с врезным кольцом (DIN 2353). Прямой ввертной адаптер BSP с уплотнением ED
Артикул 600511 представляет собой универсальный переходник под кольцо серии 250 от производителя CAST, предназначенный для создания герметичных и надежных соединений в гидравлических системах. Этот элемент идеален для подключения компонентов, обеспечивая эффективную передачу рабочих сред в широком спектре применений, включая станочное оборудование, системы смазки и мобильную технику, работающую под стандартным и низким давлением.
Конструктивно переходник обеспечивает надежное соединение с трубными соединениями стандарта 24° DIN 2353. Его конструкция гарантирует высокую герметичность и устойчивость к вибрационным нагрузкам. Данный фитинг CAST совместим с трубными соединениями диаметром 28 мм, обеспечивая легкую интеграцию в существующие гидравлические линии.
- Артикул: 600511
- Бренд: CAST
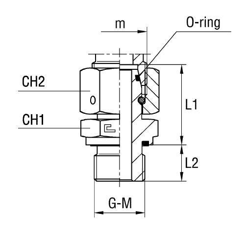
- Диаметр трубы D1: 28 мм
- Резьба G: BSP 1"
- Резьба M: 36x2
- Размер под ключ CH1: 41 мм
- Размер под ключ CH2: 41 мм
- Длина L1: 35 мм
- Длина L2: 18 мм
- Серия: 250
- Стандарт трубного соединения: Соединения 24° DIN 2353
В стандартном исполнении переходник изготовлен из стали. Для обеспечения коррозионной стойкости и возможности работы в агрессивных средах, включая пищевую или химическую промышленность, доступен вариант из нержавеющей стали AISI 316. Для заказа данной модификации, замените первые две цифры стандартного артикула 60... на 61.... Поставляется без уплотнительных колец и наконечников, что позволяет подобрать необходимые компоненты под конкретные требования системы.