Переходник под кольцо DL22 на BSP 3/4" арт. 600510 от Cast
Переходник под кольцо DL22 на BSP 3/4". Соединения с врезным кольцом (DIN 2353). Прямой ввертной адаптер BSP с уплотнением ED
Переходник CAST 600510 представляет собой универсальный компонент гидравлических систем, предназначенный для создания герметичного соединения между трубным фитингом стандарта 24° DIN 2353 и элементами с резьбой BSP 3/4". Данный фитинг CAST серии 250 обеспечивает надежное подключение в системах низкого и стандартного давления, широко используемых в станочном оборудовании, мобильной технике и смазочных линиях.
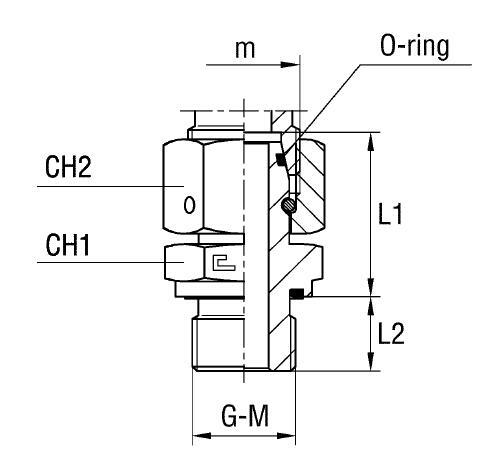
Конструкция переходника включает в себя элемент для трубного соединения с конусностью 24° DIN 2353 и внешний штуцер с резьбой BSP 3/4". Это обеспечивает бесшовную интеграцию в существующие гидравлические контуры, гарантируя высокую герметичность и устойчивость к вибрациям. Изделие предназначено для работы с трубными соединениями диаметром 22 мм.
- Артикул: 600510
- Бренд: CAST
- Диаметр трубы (D1): 22 мм
- Резьба 1 (сторона BSP): 3/4"
- Резьба 2 (сторона трубного соединения): M30x2
- Серия: 250
- Стандарт трубного соединения: 24° DIN 2353
- Длина L1: 32.5 мм
- Длина L2: 16 мм
- Размер под ключ CH1: 32 мм
- Размер под ключ CH2: 36 мм
Для заказа данного переходника из нержавеющей стали AISI 316, обладающей повышенной коррозионной стойкостью для агрессивных сред, необходимо заменить первые две цифры артикула с "60" на "61". По умолчанию изделие поставляется без уплотнительных колец, но совместимо со стандартными кольцами для обеспечения герметичности трубного соединения. Эта опция расширяет область применения, включая системы с особыми требованиями к материалам.