Переходник под кольцо DL22 BSP 1" в сборе арт. 100550 от Cast
Переходник под кольцо DL22 BSP 1" в сборе. Соединения с врезным кольцом (DIN 2353). Прямой ввертной адаптер BSP с уплотнением ED
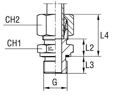
Данный ввертной адаптер серии DL (артикул 100550) производства фитинг CAST представляет собой критически важный компонент для построения гидравлических магистралей. Он предназначен для создания надежного герметичного соединения между метрическим трубным концом (диаметр 22 мм) и портом с параллельной дюймовой резьбой BSPP (G 1"). Изделие применяется в гидравлических системах стандартного и низкого давления (до 250 бар), обеспечивая эффективное подключение в стационарном оборудовании, машиностроении, а также в мобильной и сельскохозяйственной технике.
Конструктивно данный трубный переходник представляет собой штуцер с внешним 24-градусным конусом. Он полностью соответствует международному стандарту DIN 2353, что гарантирует совместимость и взаимозаменяемость с компонентами других ведущих производителей. Геометрия штуцера оптимизирована для использования с врезными кольцами (поставляется в сборе), обеспечивая высокую виброустойчивость и надежную герметизацию при рабочем давлении до 250 бар.
- Рабочее давление (WP): 250 бар
- Диаметр присоединяемой трубы D1: 22 мм
- Резьба подключения (Порт): G 1" BSPP
- Серия соединения: L (Легкая серия)
- Стандарт конусного соединения: 24° по DIN 2353
- Размер под ключ CH1 / CH2: 41 мм / 36 мм
Стандартное исполнение выполнено из высокопрочной углеродистой стали с антикоррозионным покрытием. Изделие поставляется в сборе, включая корпус штуцера, накидную гайку и врезное кольцо. Для систем, требующих повышенной коррозионной стойкости и работы в агрессивной среде, доступен вариант из нержавеющей стали AISI 316 (при заказе необходимо заменить префикс артикула с 10.... на 11....), либо комбинированный вариант из нержавеющей стали с гайкой AISI 304 (префикс 14....).