Переходник под кольцо DL22 BSP 1/2" (корпус) арт. 100549.1 от Cast
Переходник под кольцо DL22 BSP 1/2" (корпус). Соединения с врезным кольцом (DIN 2353). Прямой ввертной адаптер BSP с уплотнением ED
Переходник под врезное кольцо (корпус), артикул 100549.1, разработан для создания надежного и компактного трубного соединения. Произведен компанией CAST (Италия), относится к легкой серии (L). Основное назначение – интеграция метрических трубчатых линий (D=22 мм) в системы с дюймовой резьбой BSP 1/2" при стандартных условиях давления. Применяется в стационарных гидравлических установках, в линиях смазки, а также в общем машиностроении, где требуется переход на стандартные резьбовые порты.
Конструктивно данный элемент представляет собой корпус фитинга прямого типа. Соединение полностью соответствует международному стандарту DIN 2353 (ISO 8434-1), обеспечивая герметичность под давлением за счет 24-градусного уплотнительного конуса. Корпус совместим со стандартными врезными кольцами и накидными гайками (приобретаются отдельно). Фитинг требует предварительной подготовки бесшовной метрической трубы с внешним диаметром 22 мм.
- Рабочее давление (WP): 250 бар (Серия L)
- Стандарт трубного соединения: DIN 2353 / ISO 8434-1 (24° конус)
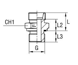
- Диаметр под трубку D1: 22 мм
- Тип и размер резьбы: BSP 1/2"
- Размеры под ключ (CH1/CH2): 32 мм / 36 мм
Стандартное исполнение детали выполнено из углеродистой стали с защитным покрытием. Для эксплуатации в агрессивных или коррозионно-активных средах доступны исполнения из нержавеющей стали AISI 316. Для заказа корпуса из нержавеющей стали необходимо заменить префикс артикула 10.... на 11.... При необходимости заказа комплекта с гайкой из нержавеющей стали AISI 304, используется префикс 14.... Таким образом обеспечивается максимальная коррозионная стойкость и долговечность фитинга CAST в сложных условиях.