Переходник под кольцо DL18 на BSP 1/2" арт. 600509 от Cast
Переходник под кольцо DL18 на BSP 1/2". Соединения с врезным кольцом (DIN 2353). Прямой ввертной адаптер BSP с уплотнением ED
Переходник CAST под кольцо, артикул 600509, предназначен для создания герметичного и надежного соединения в составе гидравлических систем. Данный фитинг CAST серии 400 обеспечивает эффективное подключение в широком спектре промышленных и мобильных приложений, включая станки, строительную и сельскохозяйственную технику, а также системы со стандартным и низким давлением, использующие масло или топливо.
Конструктивно представляет собой прямой переходник, спроектированный для интеграции трубных соединений с диаметром 18 мм, соответствующим стандартам DIN 2353 (24° конус). Фитинг обеспечивает надежное соединение с элементами, имеющими резьбу BSP 1/2" и метрическую резьбу 26x1.5. Это гарантирует высокую герметичность и устойчивость к вибрационным нагрузкам в условиях эксплуатации.
- Артикул: 600509
- Бренд: CAST
- Серия: 400
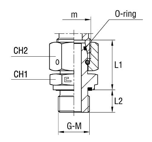
- Диаметр трубного соединения DL: 18 мм
- Резьба 1 (BSP): 1/2"
- Резьба 2 (метрическая): 26x1.5
- Размер под ключ CH1: 27 мм
- Размер под ключ CH2: 32 мм
- Длина L1: 31,5 мм
- Длина L2: 14 мм
- Стандарт трубного соединения: DIN 2353 (24° конус)
Стандартное исполнение детали артикула 600509 выполнено из стали. Для эксплуатации в условиях повышенной агрессивности среды или при необходимости обеспечения коррозионной стойкости, доступна модификация из нержавеющей стали AISI 316. Для заказа таких изделий необходимо изменить префикс артикула с "60" на "61". Переходник поставляется без уплотнительных шайб и наконечников, что позволяет гибко подбирать компоненты под конкретные требования системы.