Переходник под кольцо DL18 BSP 3/4" в сборе арт. 100534 от Cast
Переходник под кольцо DL18 BSP 3/4" в сборе. Соединения с врезным кольцом (DIN 2353). Прямой ввертной адаптер BSP с уплотнением ED
Данный гидравлический переходник, артикул 100534, представляет собой ввертной фитинг (адаптер) производства CAST, предназначенный для создания надежного и герметичного трубного соединения. Изделие разработано для монтажа в портах гидравлического оборудования, обеспечивая компактное подключение жестких труб. Применяется в гидравлических системах низкого и среднего давления (L-серия), в машиностроении, станочном оборудовании, а также в системах смазки и топливопроводах мобильной техники.
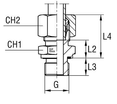
Конструктивно фитинг выполнен как адаптер с наружной резьбой BSP G 3/4" для вкручивания в блок. Соединение соответствует международному стандарту DIN 2353 (ISO 8434-1), гарантируя герметичность благодаря геометрии 24-градусного конуса. Переходник рассчитан на работу с бесшовными прецизионными трубами внешним диаметром D1=18 мм. Стандартное исполнение обеспечивает высокую прочность и устойчивость к вибрационным нагрузкам.
- Рабочее давление (WP): 250 бар (Серия L)
- Диаметр подключаемой трубы D1: 18 мм
- Резьба подключения: G 3/4" (BSP)
- Стандарт соединения: 24° DIN 2353
- Размер под ключ CH1/CH2: 32 мм
- Общая длина L4: 31 мм
Стандартная поставка включает фитинг CAST "в сборе" (тело, врезное кольцо и накидная гайка) из оцинкованной стали. Для повышения коррозионной стойкости и эксплуатации в агрессивных средах (морское оборудование, химическая промышленность) доступно исполнение из нержавеющей стали AISI 316 — при заказе необходимо заменить префикс артикула с 10.... на 11.... Также возможно комбинированное исполнение (артикул 14....) с телом AISI 316 и гайкой из нержавеющей стали AISI 304.