Переходник под кольцо DL18 BSP 1/2" в сборе арт. 100509 от Cast
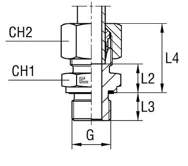
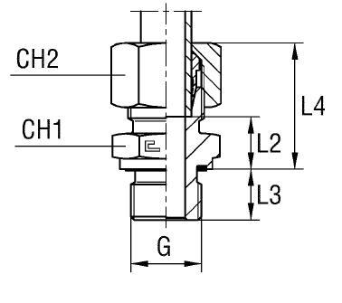
Переходник под кольцо DL18 BSP 1/2" в сборе. Соединения с врезным кольцом (DIN 2353). Прямой ввертной адаптер BSP с уплотнением ED
Данный ввертной переходник (артикул 100509) производства фитинг CAST предназначен для надежного и герметичного подключения метрических гидравлических труб к компонентам с внутренней цилиндрической дюймовой резьбой (BSPP 1/2"). Изделие относится к легкой серии (L) и используется в гидравлических системах со стандартным рабочим давлением. Основные области применения включают стационарное промышленное оборудование, мобильную и сельскохозяйственную технику, а также системы смазки и низконапорные линии.
Конструкция представляет собой прямоточный фитинг, обеспечивающий переход от резьбового порта к стандартизированному трубное соединение под обжимное кольцо. Соединительный конус соответствует стандарту 24° по ISO 8434-1 / DIN 2353, гарантируя высокую степень виброустойчивости и герметичности. Переходник разработан для работы с трубами наружным диаметром 18 мм и поставляется в комплекте с обжимным кольцом и накидной гайкой, что обеспечивает точное соответствие всех элементов в сборе.
- Рабочее давление (WP): 400 бар
- Диаметр присоединяемой трубы (D1): 18 мм
- Стандарт резьбы: BSP 1/2" (цилиндрическая дюймовая)
- Тип соединения: 24° конус по стандарту DIN 2353
- Размер под ключ (CH1/CH2): 27 мм / 32 мм
- Серия: L (Легкая)
Стандартное исполнение (артикул 100509) выполнено из оцинкованной углеродистой стали. Для применения в условиях повышенной влажности или агрессивных сред доступна модификация из нержавеющей стали AISI 316, для заказа которой необходимо заменить префикс артикула с 10.... на 11..... Также предлагается вариант 14...., где корпус выполнен из AISI 316, а накидная гайка — из AISI 304, что является экономичным решением для обеспечения коррозионной стойкости несущего тела.