Переходник под кольцо DL15 на BSP 1/2" арт. 600508 от Cast
Переходник под кольцо DL15 на BSP 1/2". Соединения с врезным кольцом (DIN 2353). Прямой ввертной адаптер BSP с уплотнением ED
Переходник CAST артикул 600508 представляет собой высококачественный адаптер серии 400, разработанный для обеспечения надежного и герметичного соединения в гидросистемах. Он предназначен для установки труб диаметром 15 мм с использованием обжимного кольца и трубного соединения стандарта 24° DIN 2353, обеспечивая переход на коническую резьбу BSP 1/2". Идеально подходит для применения в станочных системах, гидравлических установках мобильной техники, а также в системах со стандартным давлением, где требуется надежная фиксация и легкая сборка.
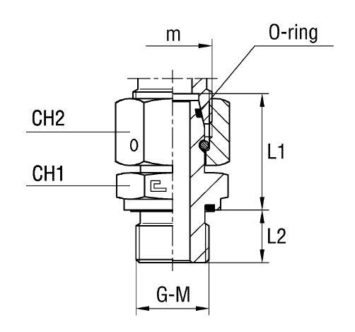
Конструкция переходника включает в себя элемент для трубного соединения 24° с размером под ключ CH1=27 и резьбой 22x1.5, а также внешний элемент с резьбой BSP 1/2" и размером под ключ CH2=27. Применение этого переходника гарантирует соответствие строгим стандартам DIN 2353, что обеспечивает повышенную прочность и устойчивость к вибрациям. Деталь разработана для систем, где критична быстрая и безошибочная установка, а также где важно обеспечить совместимость между различными типами гидравлических соединений.
- Артикул: 600508
- Бренд: CAST
- Диаметр трубы (D1): 15 мм
- Резьба 1 (сторона DIN 2353): M22x1.5
- Резьба 2 (сторона BSP): 1/2"
- Размер под ключ CH1: 27 мм
- Размер под ключ CH2: 27 мм
- Длина L1: 32 мм
- Длина L2: 14 мм
- Серия: 400
- Стандарт трубного соединения: DIN 2353, 24° конус
Базовая версия переходника изготовлена из высокопрочной стали. Для эксплуатации в агрессивных средах или при повышенных требованиях к коррозионной стойкости, доступна версия из нержавеющей стали AISI 316. Для заказа изделия из нержавеющей стали необходимо заменить первые две цифры артикула с 60... на 61.... Это обеспечивает возможность использования данного фитинга CAST в условиях с высоким содержанием влаги, химически активных веществ или при работе с особыми гидрожидкостями, гарантируя длительный срок службы и надежность трубного соединения.