Переходник под кольцо DL15 BSP 3/8" в сборе арт. 100533 от Cast
Переходник под кольцо DL15 BSP 3/8" в сборе. Соединения с врезным кольцом (DIN 2353). Прямой ввертной адаптер BSP с уплотнением ED
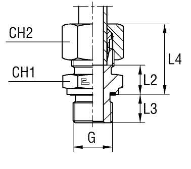
Данный ввертной адаптер (артикул 100533) от производителя фитинг CAST, предназначен для создания герметичного и надежного трубного соединения. Изделие относится к легкой серии (L) и рассчитано на применение в гидравлических системах среднего и низкого давления. Основное назначение – компактное подключение жестких стальных труб с наружным диаметром 15 мм в блоки, коллекторы или корпуса, имеющие внутреннюю резьбу BSP 3/8". Применяется в станочном оборудовании, мобильной технике и общих промышленных системах.
Конструктивно адаптер соответствует требованиям стандарта DIN 2353 (ISO 8434-1) для 24° конусных уплотнений, что обеспечивает полную совместимость с метрическими трубными системами. Изделие поставляется "в сборе" (с гайкой и врезным кольцом), что упрощает монтаж, гарантируя надежную фиксацию трубы Ø15 мм. Конструкция обеспечивает высокую виброустойчивость и герметичность, критичную для качественного гидравлического трубного соединения.
- Рабочее давление (WP): 400 бар
- Диаметр присоединяемой трубы (D1): 15 мм
- Резьба для ввертывания (G): BSP 3/8"
- Стандарт трубного соединения: Соединения 24° DIN 2353
- Серия: Легкая (L)
- Материал исполнения: Углеродистая сталь с цинковым покрытием
Стандартное исполнение выполнено из высокопрочной углеродистой стали с защитным гальваническим покрытием. Для эксплуатации в условиях повышенной влажности, агрессивных сред или нефтехимической промышленности, данный адаптер может быть заказан из нержавеющей стали AISI 316. Для этого при формировании артикула необходимо заменить префикс 10 на 11. Также доступен вариант (префикс 14) с корпусом AISI 316 и гайкой AISI 304, оптимизированный для баланса между стоимостью и коррозионной устойчивостью.