Переходник под кольцо DL15 BSP 1/2" (корпус) арт. 100508.1 от Cast
Переходник под кольцо DL15 BSP 1/2" (корпус). Соединения с врезным кольцом (DIN 2353). Прямой ввертной адаптер BSP с уплотнением ED
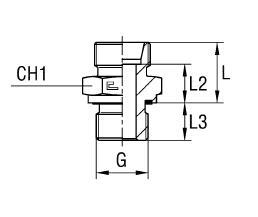
Данный адаптер (артикул 100508.1) представляет собой прямой переходник-корпус серии L производства фитинг CAST, предназначенный для создания герметичного и разъемного соединения гидравлического трубопровода Ø 15 мм. Основное назначение – подключение трубной линии к порту или компоненту с дюймовой внешней резьбой BSP 1/2". Идеально подходит для применения в промышленных гидравлических системах, станочном оборудовании и мобильной технике, работающих при стандартном и умеренно высоком давлении.
Конструкция DL (прямой адаптер) обеспечивает компактность и надежность соединения. Переходник рассчитан на использование с врезным кольцом и накидной гайкой (в комплект не входят) для формирования классического трубного соединения. Изделие соответствует строгим отраслевым стандартам, включая DIN 2353 и ISO 8434-1, гарантируя надежное уплотнение за счет 24° конуса. Максимальное рабочее давление (WP) составляет 400 бар, что подтверждает его пригодность для нагруженных систем.
- Рабочее давление (WP): 400 бар
- Диаметр подключаемой трубы D1: 15 мм
- Тип резьбы порта: BSP 1/2"
- Стандарт соединения: 24° конус DIN 2353 (Серия L)
Стандартное исполнение корпуса выполнено из оцинкованной стали. Для проектов, требующих повышенной коррозионной стойкости или работы в агрессивных средах (химическая, пищевая промышленность, морское оборудование), предусмотрена возможность заказа исполнения из нержавеющей стали AISI 316. При заказе из нержавеющей стали AISI 316 необходимо заменить префикс артикула с 10.... на 11.... или использовать префикс 14.... для получения корпуса из AISI 316 в комплекте с гайкой из AISI 304.