Переходник под кольцо DL12 на BSP 3/8" арт. 600507 от Cast
Переходник под кольцо DL12 на BSP 3/8". Соединения с врезным кольцом (DIN 2353). Прямой ввертной адаптер BSP с уплотнением ED
Переходник CAST серии 400 (артикул 600507) представляет собой высокоточный фитинг, разработанный для создания герметичного и надежного соединения гидравлических линий. Данное изделие служит для адаптации трубного соединения стандарта 24° DIN 2353 с диаметром 12 мм к компонентам с резьбой BSP 3/8". Широко применяется в стационарных, мобильных гидравлических системах, а также в смазочных и топливных контурах со стандартным и средним давлением, обеспечивая бесперебойную работу оборудования.
Конструктивно переходник выполняет функцию адаптера между метрическим трубным соединением CAST DIN 2353 с врезным кольцом (диаметром 12 мм) и дюймовой резьбой BSP. Это позволяет интегрировать компоненты с разными типами резьб в единую гидравлическую систему без потери герметичности. Изделие обеспечивает надежную фиксацию и предотвращает утечки даже при значительных вибрациях и пульсациях давления, что соответствует строгим требованиям современных гидравлических установок.
- Артикул: 600507
- Бренд: CAST
- Серия: 400
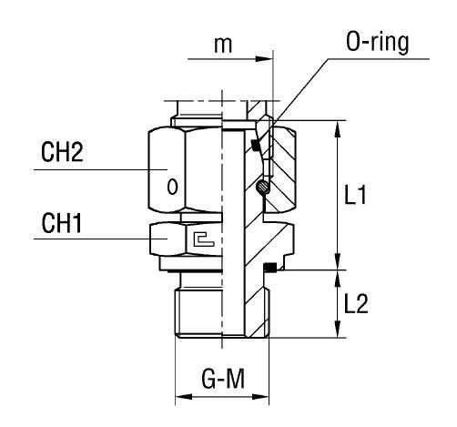
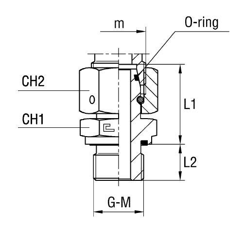
- Диаметр трубы D1: 12 мм
- Резьба G: BSP 3/8"
- Резьба M: M18x1.5 (для трубного соединения)
- Стандарт трубного соединения: 24° DIN 2353
- Длина L1: 34 мм
- Длина L2: 12 мм
- Размер под ключ CH1: 22 мм
- Размер под ключ CH2: 22 мм
Базовая версия изделия поставляется из стали. Для агрессивных сред или условий, требующих повышенной коррозионной стойкости, доступна версия из нержавеющей стали AISI 316. Для заказа изделия из нержавеющей стали необходимо изменить первые две цифры артикула с "60" на "61" (например, 610507). Данный фитинг CAST является оптимальным решением для систем, где требуется высокая надежность и долговечность соединений.