Переходник под кольцо DL12 BSP 3/8" в сборе арт. 100507 от Cast
Переходник под кольцо DL12 BSP 3/8" в сборе. Соединения с врезным кольцом (DIN 2353). Прямой ввертной адаптер BSP с уплотнением ED
Данное изделие (артикул 100507) представляет собой прямое ввертное трубное соединение серии DL (Light), разработанное брендом фитинг CAST. Основное назначение – создание герметичного, разборного соединения между гидравлическими трубами диаметром 12 мм и портами с внутренней резьбой BSP G 3/8". Переходник оптимален для систем с низким и стандартным давлением (серия L), широко применяется в станочном оборудовании, гидравлических приводах и мобильной технике, где требуется надежное и компактное подключение.
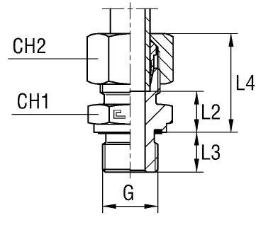
Конструкция переходника соответствует требованиям стандарта DIN 2353/ISO 8434-1, гарантируя надежную фиксацию и уплотнение за счет врезающегося кольца и накидной гайки. Соединение имеет унифицированную конусность 24° и предназначено для использования с метрическими трубами. Высокая точность обработки компонентов исключает необходимость дополнительной герметизации в точке присоединения трубы, обеспечивая устойчивость к вибрационным нагрузкам и температурным колебаниям.
- Рабочее давление (WP): 400 бар (PN 40 MPa)
- Стандарт трубного соединения: DIN 2353, конус 24°
- Диаметр присоединяемой трубы (D1): 12 мм
- Тип и размер портовой резьбы: BSP G 3/8"
- Материал исполнения: Углеродистая сталь с цинковым покрытием
Данный артикул поставляется в сборе, включая корпус переходника, накидную гайку и врезающееся уплотнительное кольцо. Стандартное исполнение выполнено из высокопрочной углеродистой стали с защитным покрытием. Для эксплуатации в агрессивных и высококоррозионных средах (например, в морском или химическом оборудовании) доступны версии из нержавеющей стали AISI 316. Чтобы заказать полностью нержавеющее исполнение, необходимо при формировании заказа заменить префикс артикула 10.... на 11.....