Переходник под кольцо DL12 BSP 1/2" (корпус) арт. 100532.1 от Cast
Переходник под кольцо DL12 BSP 1/2" (корпус). Соединения с врезным кольцом (DIN 2353). Прямой ввертной адаптер BSP с уплотнением ED
Данный гидравлический переходник (корпус) DL (артикул 100532.1) производства CAST предназначен для формирования высоконадежного и герметичного соединения. Основное назначение – интеграция метрических труб диаметром 12 мм в порты, оснащенные дюймовой резьбой BSP 1/2". Изделие относится к облегченной серии L и применяется в гидравлических системах среднего и низкого давления, включая станочное оборудование, системы смазки, топливные магистрали и мобильную технику.
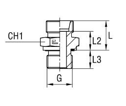
Переходник является ключевым элементом для создания разъемного трубного соединения 24°, полностью соответствующего международному стандарту DIN 2353 (ISO 8434-1). Корпус обеспечивает необходимую геометрию для корректной работы врезного кольца и накидной гайки. Параметры L1, L2 и L4 (длины 20, 13 и 27,5 мм соответственно) оптимизированы для обеспечения виброустойчивости и компактного монтажа в ограниченном пространстве.
- Рабочее давление (WP): 400 бар
- Диаметр подключаемой трубы D1: 12 мм
- Стандарт резьбы порта G: BSP 1/2"
- Серия/Исполнение: L (Легкая)
- Соответствие стандартам: DIN 2353 / ISO 8434-1
Базовое исполнение представляет собой стальной фитинг CAST. Для эксплуатации в условиях повышенной влажности или агрессивной среды (например, в морской или химической промышленности) доступна опция заказа из нержавеющей стали AISI 316. Для этого при заказе необходимо заменить стандартный префикс артикула 10.... на 11..... Если требуется комбинация корпуса из AISI 316 с гайкой из AISI 304, используется префикс 14..... Данный артикул поставляется как корпус; накидная гайка и врезное кольцо приобретаются отдельно.