Переходник под кольцо DL10 на BSP 1/4" арт. 600506 от Cast
Переходник под кольцо DL10 на BSP 1/4". Соединения с врезным кольцом (DIN 2353). Прямой ввертной адаптер BSP с уплотнением ED
Данный переходник, артикул 600506, является неотъемлемым элементом для создания надежных и герметичных гидравлических соединений. Произведен компанией CAST в серии 500, он разработан для компактного и эффективного подключения в системах низкого и стандартного давления. Применяется в стационарном оборудовании, мобильной технике, а также в системах смазки и топливоподачи, где требуется обеспечить высокую степень герметичности.
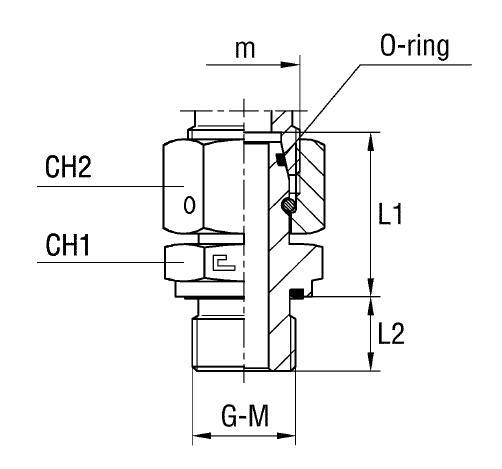
Конструктивно переходник представляет собой компонент, предназначенный для использования с трубными соединениями типа 24° DIN 2353. Его дизайн обеспечивает надежное присоединение к трубопроводам с внешним диаметром 10 мм, соответствуя высоким стандартам качества и безопасности. Он совместим с метрическими конусными соединениями M16x1.5 и трубной резьбой BSP 1/4", гарантируя прочное сочленение без утечек.
- Артикул: 600506
- Бренд: CAST
- Серия: 500
- Тип трубного соединения: 24° DIN 2353
- Внешний диаметр трубы (DL): 10 мм
- Резьба BSP: 1/4"
- Метрическая резьба: M16x1.5
- Длина общая (L1): 27.5 мм
- Длина резьбовой части (L2): 12 мм
- Размер под ключ (CH1, CH2): 19 мм
Переходник поставляется без уплотнительных колец и врезных колец, что позволяет выбрать их в соответствии с конкретными условиями эксплуатации. Стандартное исполнение из стали оптимально для большинства промышленных применений. Для использования в агрессивных средах или условиях, требующих повышенной коррозионной стойкости, доступна версия из нержавеющей стали AISI 316; для заказа такого варианта необходимо изменить первые две цифры артикула с "60" на "61". Это обеспечивает гибкость при проектировании и монтаже любых гидравлических систем, включая системы с особыми требованиями к материалам.