Переходник под кольцо DL08 на BSP 1/4" арт. 600505 от Cast
Переходник под кольцо DL08 на BSP 1/4". Соединения с врезным кольцом (DIN 2353). Прямой ввертной адаптер BSP с уплотнением ED
Переходник DL08 (артикул 600505) от бренда CAST серии 500 представляет собой ключевой элемент для создания герметичных и надежных гидравлических соединений. Данное изделие предназначено для эффективного сопряжения трубной системы с внутренним диаметром 8 мм по стандарту DIN 2353 (24° конус) и элементов с внешней резьбой BSP 1/4". Основное назначение — обеспечение адаптации компонентов гидравлических контуров с различными типами присоединительных портов. Переходник находит широкое применение в прецизионных станках, мобильной технике и промышленных гидравлических системах стандартного и низкого давления.
Конструктивно фитинг является полым болтом с одной стороны и конусным соединением с другой. Переходник разработан для формирования надежных и герметичных трубных соединений без применения сварки. Соответствует строгим стандартам DIN 2353, что гарантирует его совместимость и взаимозаменяемость с обширной номенклатурой гидравлических компонентов, использующих конус 24° и трубные соединения. Вторая сторона имеет цилиндрическую резьбу BSP (G 1/4"), обеспечивая универсальность при подключении к компонентам, выполненным по британским стандартам.
- Артикул: 600505
- Бренд: CAST
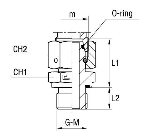
- Тип соединения 1 (сторона D1): Под кольцо для трубы Ø 8 мм (C 14x1.5)
- Тип соединения 2 (сторона G): Резьба BSP 1/4"
- Стандарт трубного соединения: Соединения 24° DIN 2353
- Размер под ключ CH1 (BSP): 19 мм
- Размер под ключ CH2 (D1): 17 мм
- Общая длина L1: 29,5 мм
- Длина резьбы L2: 12 мм
- Серия: 500
Стандартное исполнение переходника выполнено из стали. Для работы в агрессивных средах или условиях повышенной коррозионной активности доступен вариант из нержавеющей стали AISI 316. Для заказа изделия из нержавеющей стали необходимо заменить первые две цифры артикула с "60..." на "61...". Изделие поставляется без уплотнительных шайб, которые подбираются отдельно в зависимости от типа соединения и условий эксплуатации, обеспечивая оптимальную герметичность. Этот фитинг CAST является основой для создания долговечных гидравлических систем.