Угловой ввертной адаптер 90° BSPT (уплотнение по резьбе): 23 артикула от ведущих брендов
Угловой ввертной адаптер 90° BSPT (уплотнение по резьбе): угловой 90° адаптер для соединения компонентов гидросистемы. Подбор по диаметру и типу резьбы — BSP, JIC, NPT, ORFS, Metric.
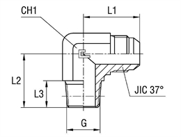
Что внутри
| Параметр | Значение |
|---|---|
| Тип | угловой 90° |
| Материал | оцинкованная сталь / AISI 304 / латунь |
| Рабочее давление | до 400 бар |
| Резьбы | BSP / JIC / NPT / ORFS / Metric / UNF |
| Уплотнение | торцевое / O-ring / конусное |
Что учесть при выборе
Перед заказом — определите тип резьбы на обоих сторонах (наружная/внутренняя).
Кому подходит
Берут на гидравлических станциях, где сводят компоненты разных производителей, в сервисных мастерских — переходники нужны постоянно.
Свяжитесь с нами
Отправьте техзадание через форму запроса — инженер подберёт варианты и пришлёт цены за час.
Часто задаваемые вопросы
Зачем нужен Угловой ввертной адаптер 90° BSPT (уплотнение по резьбе)?
Адаптер — переходник между разными типами резьбы / фланцев / диаметров. Позволяет соединить компоненты разных стандартов в одной системе без замены всего узла.
Как подобрать Угловой ввертной адаптер 90° BSPT (уплотнение по резьбе) для моего оборудования?
Нужны 2 параметра: какие типы резьбы соединяете и рабочее давление. Инженер подберёт точный артикул из каталога. Возможно изготовление под заказ.
Какие материалы у Угловой ввертной адаптер 90° BSPT (уплотнение по резьбе)?
Стандартные материалы — углеродистая сталь, нержавеющая сталь (304/316), оцинкованная сталь. Выбор зависит от рабочей среды и условий эксплуатации.
Какие сертификаты у Угловой ввертной адаптер 90° BSPT (уплотнение по резьбе)?
Поставка с сертификатами EAC и ТР ТС. Под тендеры — полный пакет: декларации соответствия, паспорта качества.
За сколько отгружается Угловой ввертной адаптер 90° BSPT (уплотнение по резьбе)?
Стандартные позиции — со склада в день оплаты. Спецификация под заказ — 3-7 дней. Доставка ТК по РФ за 1-7 дней.
Можно ли заказать Угловой ввертной адаптер 90° BSPT (уплотнение по резьбе) мелкими партиями?
Да. Для B2B минимальной партии нет. Стандартные размеры есть в наличии поштучно. Под крупный объект — индивидуальный расчёт и спецификация.

