Заглушка V (Ш) М18х1.5 от Cast
Заглушка V (Ш) М18х1.5 от Cast
325
руб.
Есть в наличии
Доступно
Артикул:
107905
Вес:
0
кг.
Если Вы хотите заказать изделие из нержавеющей стали, замените первые две цифры артикула с 10... на 11...
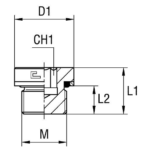
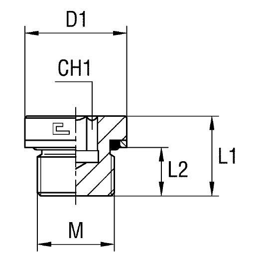
Характеристики
| Артикул | Бренд | CH1 | L1 (мм) | L2 (мм) | Ø трубы D1 | WP (bar) | резьба M | серия | Стандарт ТС |
| 107905 | CAST | 8 | 18 | 12,6 | 24 | 315 | 18x1.5 | L | Соединения 24° DIN 2353 |
-
D трубы M1 D124
-
WP (bar) рабочее давление315
-
Размер CH18
-
Размер L1 (мм)18
-
Размер L2 (мм)12,6
-
Размер резьбы 1218x1.5
-
СерияL
-
Стандарт трубных соединенийСоединения 24° DIN 2353
Отзывы могут оставлять только авторизованные пользователи, которые покупали данный товар
С этим товаром покупают
Похожие товары