Ввертной угловой штуцер 90° DL22 BSPT 3/4" в сборе арт. 102010 от Cast
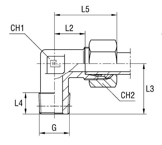
Ввертной угловой штуцер 90° DL22 BSPT 3/4" в сборе. Соединения с врезным кольцом (DIN 2353). Угловой ввертной адаптер 90° BSPT (уплотнение по резьбе)
Угловой ввертной штуцер 90° (артикул 102010) от производителя CAST представляет собой готовое решение для компактного и герметичного подключения труб в гидравлических системах. Данный фитинг серии L (легкая серия) предназначен для линий низкого и среднего давления до 160 бар, где требуется минимальное использование монтажного пространства. Основные области применения охватывают мобильную спецтехнику, станкостроение, системы смазки и транспортировку топлива в промышленных условиях.
Данный трубный фитинг имеет угловую конструкцию, что критически важно для обхода препятствий и оптимизации компоновки трубопроводов. Присоединение к порту осуществляется посредством наружной резьбы BSPT 3/4", а соединение с метрической трубой диаметром 22 мм использует принцип врезного кольца и 24° конуса, что соответствует стандарту DIN 2353. Важно отметить, что, согласно спецификации производителя, данная позиция не соответствует полному набору требований международного стандарта ISO 8434-1.
- Артикул производителя: 102010 (Серия L)
- Максимальное рабочее давление (WP): 160 бар
- Номинальный диаметр трубы (D1): 22 мм
- Тип и размер резьбы для ввертывания: BSPT 3/4"
- Стандарт соединения с трубой: 24° конус по DIN 2353
Стандартное исполнение фитинга CAST включает штуцер, накидную гайку и врезное кольцо, выполненные из углеродистой стали с защитным покрытием. Для эксплуатации в условиях повышенной влажности или с агрессивными средами доступно исполнение из нержавеющей стали AISI 316 — для заказа необходимо сменить префикс артикула на 11.... Также предлагается гибридный вариант (префикс 14....), где основные элементы выполнены из AISI 316, а накидная гайка — из AISI 304, что обеспечивает отличную коррозионную стойкость при оптимизации стоимости проекта.