Ввертной угловой штуцер 90° DL18 BSPT 1/2" (корпус) арт. 102009.1 от Cast
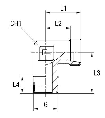
Ввертной угловой штуцер 90° DL18 BSPT 1/2" (корпус). Соединения с врезным кольцом (DIN 2353). Угловой ввертной адаптер 90° BSPT (уплотнение по резьбе)
Ввертной угловой штуцер 90° с артикулом 102009.1 от CAST предназначен для создания углового соединения в гидравлических системах, обеспечивая надежное и герметичное подключение. Этот фитинг CAST серии L широко применяется в системах с рабочим давлением до 315 бар, включая станки, мобильную технику и другие области, где требуется надежное соединение.
Конструкция штуцера обеспечивает прочное и герметичное соединение благодаря угловой форме и резьбовому соединению BSPT 1/2". Соответствует стандартам DIN 2353, что гарантирует совместимость с другими компонентами, выполненными по данному стандарту. Трубное соединение обеспечивает надежность и долговечность системы.
- Артикул: 102009.1
- Производитель: CAST
- Рабочее давление (WP): 315 бар
- Диаметр трубы (D1): 18 мм
- Размер под ключ 1 (CH1): 40 мм
- Размер под ключ 2 (CH2): 24 мм
- Резьба (G): BSPT 1/2"
- Серия: L
- Стандарт: DIN 2353
Штуцер поставляется в стандартном исполнении. Для заказа фитинга CAST из нержавеющей стали AISI 316 необходимо заменить первые две цифры артикула с "10" на "11". Для версии с гайкой из нержавеющей стали AISI 304 используйте префикс "14". Это обеспечит коррозионную стойкость и возможность использования в агрессивных средах.