Ввертной угловой штуцер 90° DL15 BSPT 1/2" в сборе арт. 102008 от Cast
Ввертной угловой штуцер 90° DL15 BSPT 1/2" в сборе. Соединения с врезным кольцом (DIN 2353). Угловой ввертной адаптер 90° BSPT (уплотнение по резьбе)
Угловой ввертной штуцер 90° артикул 102008 от CAST обеспечивает надежное соединение в гидравлических системах. Предназначен для изменения направления потока под углом 90 градусов. Применяется в системах со стандартным давлением, в том числе для смазки, топлива и охлаждающих жидкостей в станках и мобильной технике. Является компонентом трубного соединения стандарта DIN 2353.
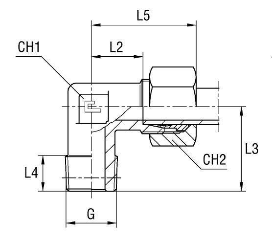
Конструкция представляет собой угловой фитинг с ввертной резьбой BSPT и конусностью 24°, обеспечивающей герметичное соединение. Данный фитинг CAST предназначен для труб с наружным диаметром 15 мм. Угловая форма минимизирует габариты подключения в ограниченном пространстве.
- Рабочее давление (WP): 315 бар
- Диаметр трубы (D1): 15 мм
- Размер под ключ 1 (CH1): 19 мм
- Размер под ключ 2 (CH2): 27 мм
- Резьба (G): 1/2" BSPT
- Серия: L (Легкая)
- Стандарт: Соединения 24° DIN 2353
Поставляется в сборе. Доступен вариант исполнения из нержавеющей стали AISI 316 для агрессивных сред, для заказа необходимо изменить префикс артикула с 10 на 11. Также возможен вариант с гайкой из нержавеющей стали AISI 304 (префикс 14).