Ввертной угловой штуцер 90° DL10 BSPT 1/4" (корпус) арт. 102006.1 от Cast
Ввертной угловой штуцер 90° DL10 BSPT 1/4" (корпус). Соединения с врезным кольцом (DIN 2353). Угловой ввертной адаптер 90° BSPT (уплотнение по резьбе)
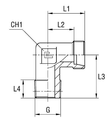
Ввертной угловой штуцер 90° (артикул 102006.1) от CAST предназначен для создания компактного и надежного углового соединения в гидравлических системах, соответствующих стандарту DIN 2353. Используется для подключения труб с наружным диаметром 10 мм к портам с резьбой BSPT 1/4". Применяется в системах с низким и средним давлением, в том числе для смазки и подачи топлива в станочном оборудовании.
Данный фитинг CAST представляет собой угловой штуцер с углом 90°, обеспечивающий надежное соединение за счет конструкции, соответствующей стандартам 24° DIN 2353. Конструкция обеспечивает герметичность и устойчивость к вибрациям, что критично для надежной работы гидравлических систем.
- Рабочее давление: 315 бар
- Диаметр трубы: 10 мм
- Размер под ключ CH1: 30 мм
- Размер под ключ CH2: 14 мм
- Резьба: 1/4" BSPT
- Серия: L
- Стандарт: Соединения 24° DIN 2353
Штуцер поставляется без дополнительных уплотнительных элементов. Материал корпуса – сталь. Для заказа штуцера из нержавеющей стали AISI 316, необходимо изменить префикс артикула с 10 на 11. Для заказа штуцера из нержавеющей стали AISI 316 с гайкой из нержавеющей стали AISI 304, замените первые две цифры артикула с 10 на 14. Использование нержавеющей стали обеспечивает повышенную коррозионную стойкость в агрессивных средах и для трубного соединения в системах, требующих высокой чистоты.