Ввертной тройник DS16 BSP 1/2" тип E (корпус) арт. 605119.1 от Cast
Ввертной тройник DS16 BSP 1/2" тип E (корпус). Соединения с врезным кольцом (DIN 2353). Т-образный ввертной адаптер BSP с уплотнением ED
Представляем ввертной тройник артикул 605119.1 производства CAST. Данное изделие предназначено для создания герметичных и компактных разветвлений в гидравлических системах. Основное назначение — подключение двух линий к одной точке, обеспечивая эффективное распределение потока рабочей среды. Элемент серии S от CAST оптимально подходит для применения в станочном оборудовании, мобильной технике и других гидравлических узлах со стандартным и высоким рабочим давлением.
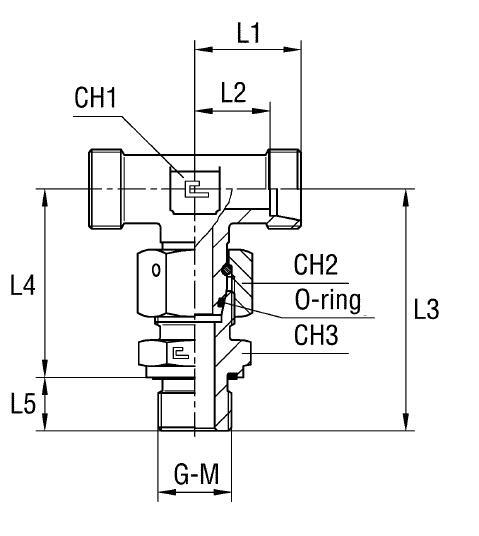
Конструктивно тройник DS16 тип E представляет собой монолитный корпус для формирования трехканального трубного соединения. Он соответствует международному стандарту DIN 2353 для соединений с конусом 24°. Это обеспечивает надежную и плотную фиксацию, гарантируя высокую степень герметичности при монтаже с соответствующими трубками и гайками, что критически важно для предотвращения утечек и поддержания эффективности системы.
- Артикул: 605119.1
- Бренд: CAST
- Рабочее давление (WP): 630 бар
- Диаметр трубы D1: 16 мм
- Резьба G: 1/2 BSP
- Размер под ключ CH1: 24 мм
- Размер под ключ CH2: 30 мм
- Серия: S
- Стандарт ТС: Соединения 24° DIN 2353
- Длина L1: 33 мм
- Длина L2: 24,5 мм
- Длина L3: 69 мм
- Длина L4: 55 мм
Тройник поставляется как корпус, требующий комплектации соответствующими врезными кольцами и накидными гайками для формирования завершенного соединения. Стандартное исполнение выполнено из стали. Для систем, работающих в агрессивных средах или требующих повышенной коррозионной стойкости, доступен вариант из нержавеющей стали AISI 316; для заказа такого исполнения необходимо заменить префикс артикула с "60..." на "61...", что указывает на альтернативный материал исполнения фитинга CAST.