Ввертной штуцер FC DL15 NPT 1/2" в сборе арт. 101808 от Cast
Ввертной штуцер FC DL15 NPT 1/2" в сборе. Соединения с врезным кольцом (DIN 2353). Прямой ввертной адаптер NPT (уплотнение по резьбе)
Данный ввертной штуцер FC DL15, артикул 101808, разработан для создания надежного и герметичного соединения в гидравлических системах. Изделие предназначено для подключения метрических труб диаметром 15 мм к портам с конической резьбой NPT 1/2". Компонент относится к легкой серии (L) производителя фитинг CAST и используется в условиях стандартного давления до 315 бар. Основные области применения включают общее машиностроение, станочное оборудование и системы смазки, где критически важна компактность и быстрота монтажа.
Конструктивно штуцер представляет собой прямой ввертной элемент, обеспечивающий высоконадежный переход от врезного трубное соединение к резьбовому порту. Соединение соответствует стандарту 24° по DIN 2353, гарантируя совместимость со стандартными метрическими трубами. Необходимо учитывать, что данная позиция в сборе не соответствует полным требованиям ISO 8434-1, что важно при интеграции в международные или сертифицированные гидравлические контуры.
- Рабочее давление (WP): 315 бар
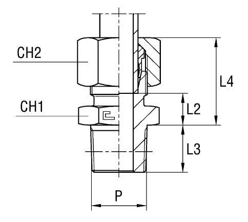
- Диаметр трубного соединения (D1): 15 мм
- Размер резьбы подключения: NPT 1/2"
- Серия давления: Легкая (L)
- Стандарт совместимости: DIN 2353 (24°)
- Размер под ключ для корпуса (CH1): 24 мм
- Размер под ключ для гайки (CH2): 27 мм
Стандартное исполнение детали выполнено из стали с защитным покрытием. Для эксплуатации в средах с повышенными требованиями к коррозионной стойкости, например, в химической или пищевой промышленности, доступно исполнение из нержавеющей стали AISI 316. Заказчику следует заменить префикс артикула 10.... на 11.... для получения полного комплекта из AISI 316. Если требуется сочетание корпуса из AISI 316 и гайки из AISI 304, необходимо использовать префикс 14.... при оформлении заказа.