Ввертной штуцер FC DL15 BSPT 1/2" (корпус) арт. 101708.1 от Cast
Ввертной штуцер FC DL15 BSPT 1/2" (корпус). Соединения с врезным кольцом (DIN 2353). Прямой ввертной адаптер BSPT (уплотнение по резьбе)
Данный ввертной штуцер CAST с артикулом 101708.1 представляет собой ключевой компонент для создания надежных и герметичных резьбовых соединений в гидравлических системах. Изделие относится к серии L (легкая серия) от производителя CAST и предназначено для интеграции в различные механизмы, требующие компактного и эффективного подключения. Основные области применения включают станки, мобильную технику, сельскохозяйственное оборудование и промышленные установки, работающие при стандартном и среднем давлении до 315 бар.
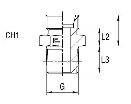
Конструктивно, это корпус ввертного штуцера, разработанный для формирования прочного соединения с трубными элементами, оснащенными 24° конусом, в соответствии со стандартом DIN 2353. Важно отметить, что, несмотря на совместимость с компонентами DIN 2353, данный фитинг не соответствует норме ISO 8434-1. Его резьбовая часть выполнена по стандарту BSPT 1/2", обеспечивая точное и герметичное вкручивание в соответствующий порт. Наличие двух размеров под ключ (CH1: 24 мм, CH2: 27 мм) упрощает монтаж и обслуживание.
- Рабочее давление (WP): 315 бар
- Диаметр трубы M1/D1: 15 мм
- Размер под ключ 1 (CH1): 24 мм
- Размер под ключ 2 (CH2): 27 мм
- Серия: L (легкая серия)
- Стандарт резьбы: BSPT 1/2"
- Стандарт трубного соединения: Соединения 24° DIN 2353
- Длина L1: 18 мм
- Длина L2: 11 мм
- Длина L3: 14 мм
- Длина L4: 26 мм
Стандартное исполнение данного ввертного штуцера CAST поставляется из высококачественной стали. Для применения в условиях повышенной коррозионной активности или агрессивной среды доступны варианты из нержавеющей стали. Если требуется гидравлический фитинг из нержавеющей стали AISI 316, необходимо заменить первые две цифры артикула с 10.... на 11..... При заказе версии из нержавеющей стали AISI 316 с гайкой из нержавеющей стали AISI 304, префикс артикула изменяется с 10.... на 14...... Эти опции позволяют использовать трубное соединение DIN 2353 в самых требовательных промышленных средах, обеспечивая долговечность и надежность системы.