Ввертной штуцер FC DL08 BSPT 3/8" (корпус) арт. 101726.1 от Cast
Ввертной штуцер FC DL08 BSPT 3/8" (корпус). Соединения с врезным кольцом (DIN 2353). Прямой ввертной адаптер BSPT (уплотнение по резьбе)
Ввертной гидравлический штуцер FC DL08 BSPT 3/8" (артикул 101726.1) от CAST предназначен для надежного и герметичного подключения трубных линий. Принадлежащий к легкой серии (L), этот компонент эффективен в системах с рабочим давлением до 315 бар. Подходит для мобильной техники, станков и промышленных установок.
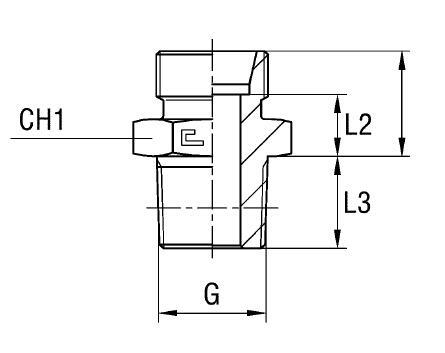
Конструктивно, этот ввертной штуцер представляет собой корпус, обеспечивающий совместимость с трубными соединениями 24° DIN 2353 для труб D8 мм. Он оснащен внешней конической резьбой BSPT 3/8". Обратите внимание, что изделие не соответствует нормам ISO 8434-1, что критично для проектирования и монтажа.
- Артикул: 101726.1
- Бренд: CAST
- Рабочее давление (WP): 315 бар
- Диаметр трубы (D1): 8 мм
- Резьба: BSPT 3/8"
- Серия: L (Легкая)
- Стандарт трубного соединения: 24° DIN 2353
- Размер под ключ 1 (CH1): 19 мм
- Размер под ключ 2 (CH2): 17 мм
- Длина L1: 16 мм
- Длина L2: 9 мм
- Длина L3: 12 мм
- Длина L4: 25 мм
Стандартный материал исполнения — сталь. Для использования в агрессивных средах доступен вариант из нержавеющей стали AISI 316; для заказа замените префикс артикула "10" на "11". Если требуется гидравлический штуцер из AISI 316 с гайкой из AISI 304, укажите префикс "14". Эти опции расширяют применимость фитинга CAST, обеспечивая повышенную коррозионную стойкость.