Ввертной штуцер FC DL06 BSPT 1/8" в сборе арт. 101704 от Cast
Ввертной штуцер FC DL06 BSPT 1/8" в сборе. Соединения с врезным кольцом (DIN 2353). Прямой ввертной адаптер BSPT (уплотнение по резьбе)
Данный прямой ввертной штуцер (Stud Coupling), артикул 101704, производства фитинг CAST, предназначен для компактного и герметичного подключения метрических труб к корпусам агрегатов, коллекторам и блокам управления, имеющим коническую резьбу BSPT 1/8". Изделие относится к легкой серии (L) с номинальным рабочим давлением до 315 бар. Основное назначение — создание надежных линий для подачи рабочей жидкости, смазки или топлива в мобильной технике, станках и промышленных гидравлических установках стандартного давления.
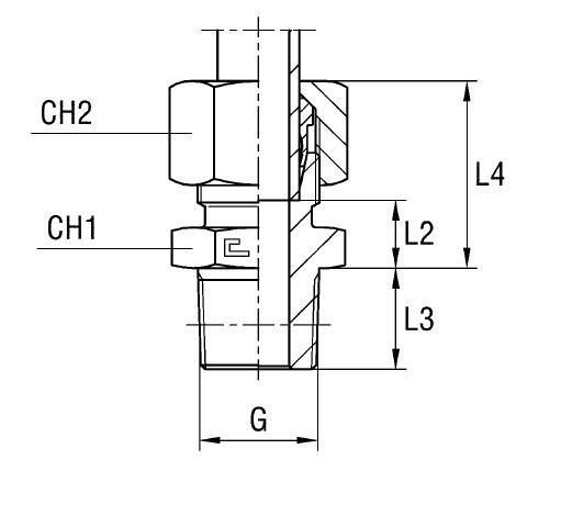
Конструктивно штуцер обеспечивает жесткое и надежное трубное соединение 24° DIN 2353 для труб диаметром 6 мм. Резьбовая часть выполнена по коническому стандарту BSPT, что обеспечивает герметичность соединения в посадочном отверстии без применения дополнительных уплотнительных колец. Изделие поставляется в сборе, готовое к монтажу, и включает корпус, накидную гайку и врезное кольцо.
- Рабочее давление (WP): 315 бар
- Номинальный диаметр трубы (D1): 6 мм
- Тип трубного стандарта: Соединение 24° DIN 2353 (Легкая серия L)
- Резьба подключения: BSPT 1/8" (Коническая)
- Размер под ключ CH1 / CH2: 12 мм / 14 мм
Стандартное исполнение (артикул 101704) выполнено из оцинкованной стали. Для обеспечения повышенной устойчивости к коррозии и применения в агрессивных средах доступны исполнения из нержавеющей стали AISI 316. Чтобы заказать полностью нержавеющий вариант, необходимо заменить префикс артикула с 10 на 11. Для случаев, требующих применения только корпуса из AISI 316 с гайкой из AISI 304, следует использовать префикс 14.