Вварной переборочный ниппель DL15 (корпус) арт. 105608.1 от Cast
Вварной переборочный ниппель DL15 (корпус). Соединения с врезным кольцом (DIN 2353). Переборочный ниппель под приварку (WB)
Вварной переборочный ниппель артикул 105608.1 от CAST предназначен для создания надежного соединения через перегородку в гидравлических системах, обеспечивая герметичность и прочность конструкции. Применяется в гидравлике для низкого и среднего давления, в системах смазки и охлаждения промышленного оборудования.
Данный ниппель обеспечивает надежное трубное соединение. Соответствует стандарту DIN 2353, гарантируя совместимость с широким спектром фитингов 24°. Конструкция корпуса позволяет легко интегрировать его в существующую систему.
- Рабочее давление (WP): 315 бар
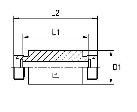
- Диаметр трубы M1/D1: 15 мм
- Размер под ключ 1 (CH1): 27 мм
- Серия: L
- Длина L1: 70 мм
- Длина L2: 84 мм
- Стандарт трубного соединения: Соединения 24° DIN 2353
- Длина L3: 100 мм
- Диаметр D1: 28 мм
Данный фитинг CAST поставляется без дополнительных уплотнительных элементов. Корпус выполнен из стали. Для заказа версии из нержавеющей стали AISI 316 необходимо заменить префикс артикула с 10 на 11. Для версии из нержавеющей стали AISI 316 с гайкой из нержавеющей стали AISI 304, замените префикс артикула с 10 на 14. Это обеспечивает коррозионную стойкость и возможность использования в агрессивных средах.