Вварной ниппель прямой DS8 (корпус) арт. 105515.1 от Cast
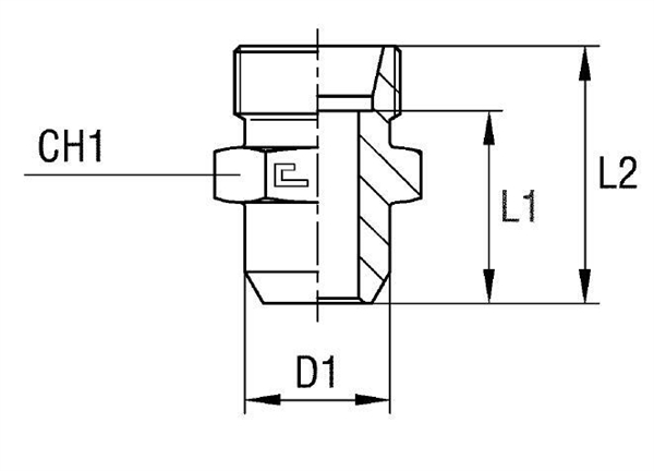
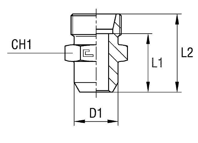
Вварной ниппель прямой DS8 (корпус). Соединения с врезным кольцом (DIN 2353). Прямой ниппель под приварку (W)
Вварной ниппель прямой DS8 (корпус), артикул 105515.1, предназначен для создания надежного и герметичного соединения в гидравлических системах. Производство CAST, серия S. Применяется в системах с высоким давлением, в станках, мобильной технике и другом промышленном оборудовании.
Конструкция представляет собой прямой ниппель для вварки в систему, обеспечивающий надежное и долговечное трубное соединение. Соответствует стандарту DIN 2353, что гарантирует совместимость с другими компонентами гидравлических систем, работающих по данному стандарту.
- Рабочее давление (WP): 630 бар
- Диаметр трубы M1/D1: 8 мм
- Размер под ключ 2 (CH2): 19 мм
- Размер под ключ 1 (CH1): 17 мм
- Длина L1: 21 мм
- Длина L2: 28 мм
- Длина L3: 36 мм
- Диаметр D1: 13 мм
- Стандарт трубного соединения: Соединения 24° DIN 2353
Поставляется в стандартном исполнении. Доступны варианты исполнения из нержавеющей стали AISI 316 (замените префикс артикула с 10 на 11) для использования в агрессивных средах и обеспечения коррозионной стойкости. Также доступен вариант с гайкой из нержавеющей стали AISI 304 (замените префикс артикула с 10 на 14). Используйте фитинг CAST для надежной работы вашей гидравлической системы.