Вварной ниппель прямой DS25 (корпус) арт. 105521.1 от Cast
Вварной ниппель прямой DS25 (корпус). Соединения с врезным кольцом (DIN 2353). Прямой ниппель под приварку (W)
Прямой вварной ниппель, артикул 105521.1, предназначен для создания надежного трубного соединения методом сварки. Произведен компанией CAST, относится к серии S. Применяется в гидравлических системах стандартного давления, в том числе в станках и мобильной технике для транспортировки масла и других жидкостей.
Данный фитинг CAST обеспечивает герметичное и прочное соединение. Соответствует стандарту DIN 2353, обеспечивая совместимость с другими компонентами гидравлических систем, использующих соединения с углом конуса 24°. Конструкция позволяет выполнить качественную сварку для обеспечения максимальной надежности.
- Рабочее давление (WP): 400 бар
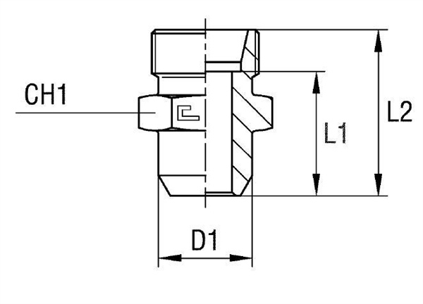
- Диаметр трубы M1/D1: 25 мм
- Размер под ключ 2 (CH2): 46 мм
- Размер под ключ 1 (CH1): 41 мм
- Длина L1: 32 мм
- Длина L2: 44 мм
- Длина L3: 56 мм
- Диаметр D1: 31 мм
- Стандарт трубного соединения: Соединения 24° DIN 2353
Вварной ниппель поставляется как корпус. Для заказа исполнения из нержавеющей стали AISI 316 необходимо заменить префикс артикула с 10.... на 11.... Для заказа исполнения из нержавеющей стали AISI 316 с гайкой из нержавеющей стали AISI 304, замените первые две цифры артикула с 10.... на 14.... Нержавеющая сталь обеспечивает высокую коррозионную стойкость, что позволяет использовать фитинг в агрессивных средах.