Вварной ниппель прямой DS16 (корпус) арт. 105519.1 от Cast
Вварной ниппель прямой DS16 (корпус). Соединения с врезным кольцом (DIN 2353). Прямой ниппель под приварку (W)
Прямой вварной ниппель (артикул 105519.1) серии S от бренда CAST предназначен для создания высоконадежных, герметичных и неразъемных трубных соединений в гидравлических системах. Основное назначение — формирование прямого подключения трубопровода диаметром 16 мм путем приварки к системе. Этот компонент широко применяется в мобильной технике, промышленном оборудовании, станках и других гидравлических установках, работающих под стандартным и высоким давлением.
Конструктивно данный ниппель представляет собой прямой приварной фитинг, разработанный для интеграции в гидравлические контуры. Он обеспечивает надежное соединение с трубками диаметром 16 мм, соответствуя стандарту DIN 2353 для 24-градусных конусных соединений. Это гарантирует полную совместимость с широким спектром стандартных гидравлических компонентов, таких как врезные кольца и накидные гайки, формируя прочное и герметичное гидравлическое соединение.
- Рабочее давление (WP): 400 бар
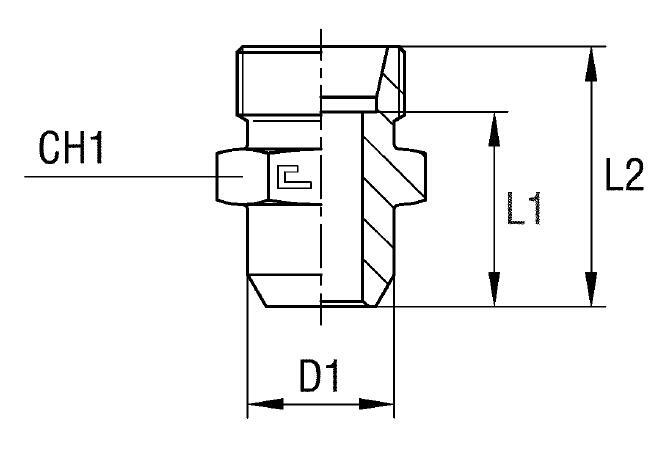
- Диаметр трубы M1/D1: 16 мм
- Размер под ключ 1 (CH1): 27 мм
- Размер под ключ 2 (CH2): 30 мм
- Длина L1: 26,5 мм
- Длина L2: 35 мм
- Длина L3: 45 мм
- Диаметр D1: 21 мм
Стандартное исполнение ниппеля выполнено из высокопрочной стали. Для применений в агрессивных средах или условиях повышенной коррозии доступно исполнение из нержавеющей стали AISI 316. Для заказа версии из нержавеющей стали AISI 316 необходимо изменить префикс артикула с 10.... на 11..... Если требуется поставка ниппеля из AISI 316 в комплекте с гайкой из нержавеющей стали AISI 304, следует использовать префикс 14..... Данный ниппель является корпусом; для формирования полноценного соединения потребуются дополнительные компоненты, такие как накидная гайка и врезное кольцо (приобретаются отдельно).